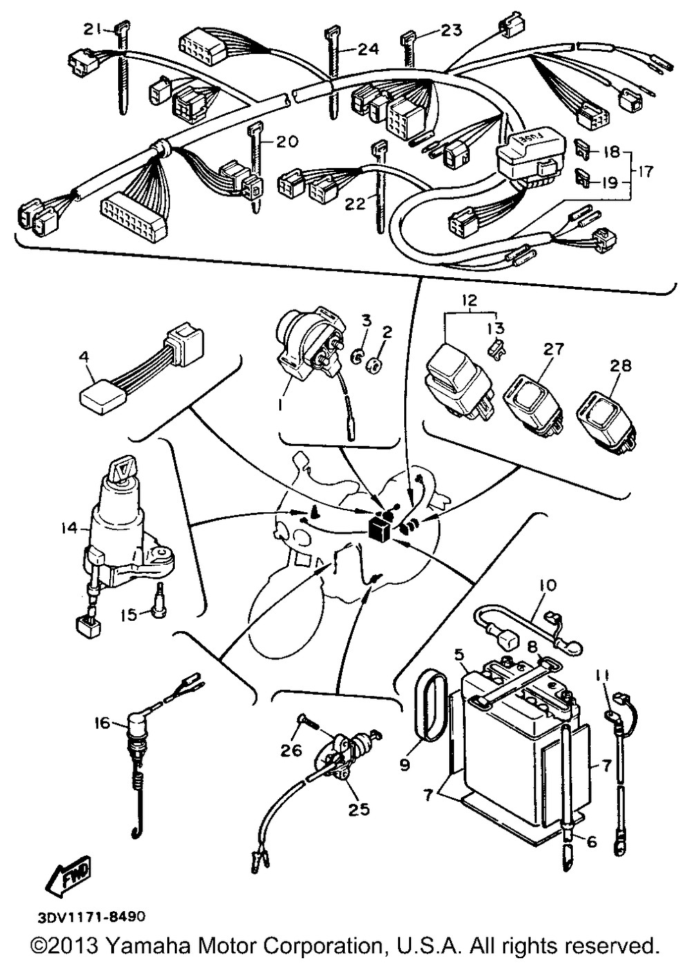
| № | Наименование | Примечание | Кол-во |
|---|---|---|---|
| 1 | STARTER SWITCH ASY | 1 | |
| 2 | NUT | 2 | |
| 3 | WASHER (5 per pack) | 2 | |
| 4 | DIODE | 1 | |
| 5 | YB14LA2 YUASA BATTE (FB14L-A2) (44 YAMAHA | 1 | |
| 6 | HOSE (3GG) | 1 | |
| 7 | SEATBATTERY | 3 | |
| 8 | BANDBATTERY | 1 | |
| 9 | BANDBATTERY | 1 | |
| 10 | WIREPLUS LEAD | 1 | |
| 11 | WIRE MINUS LEAD | 1 | |
| 12 | FUSE HOLDER ASY | 1 | |
| 13 | FUSE (30 AMP BLADE) (30A-BL) | 2 | |
| 14 | MAIN SWCH STRG LCK | 1 | |
| 15 | SCREWSPEC'L SHAPE | 2 | |
| 16 | STOP SWITCH ASY | 1 | |
| 17 | WIRE HARNESS ASY | 1 | |
| 18 | FUSE (10A-BL) (10A-BL) (10 per pack) | 4 | |
| 19 | FUSE (15 AMP) (15A-BLUE) | 2 | |
| 20 | BANDSWITCH CORD | 2 | |
| 21 | BANDSWITCH CORD | 1 | |
| 22 | BANDSWITCH CORD | 1 | |
| 23 | Хомут | 2 | |
| 24 | CLAMP 1 | 2 | |
| 25 | SWITCHSIDE STAND | 1 | |
| 26 | SCREWFLAT HEAD | 2 | |
| 27 | RELAY ASSY (25G-01) | 1 | |
| 28 | RELAY ASSY. (4U8-02) | 1 |
