| № | Наименование | Примечание | Кол-во |
|---|---|---|---|
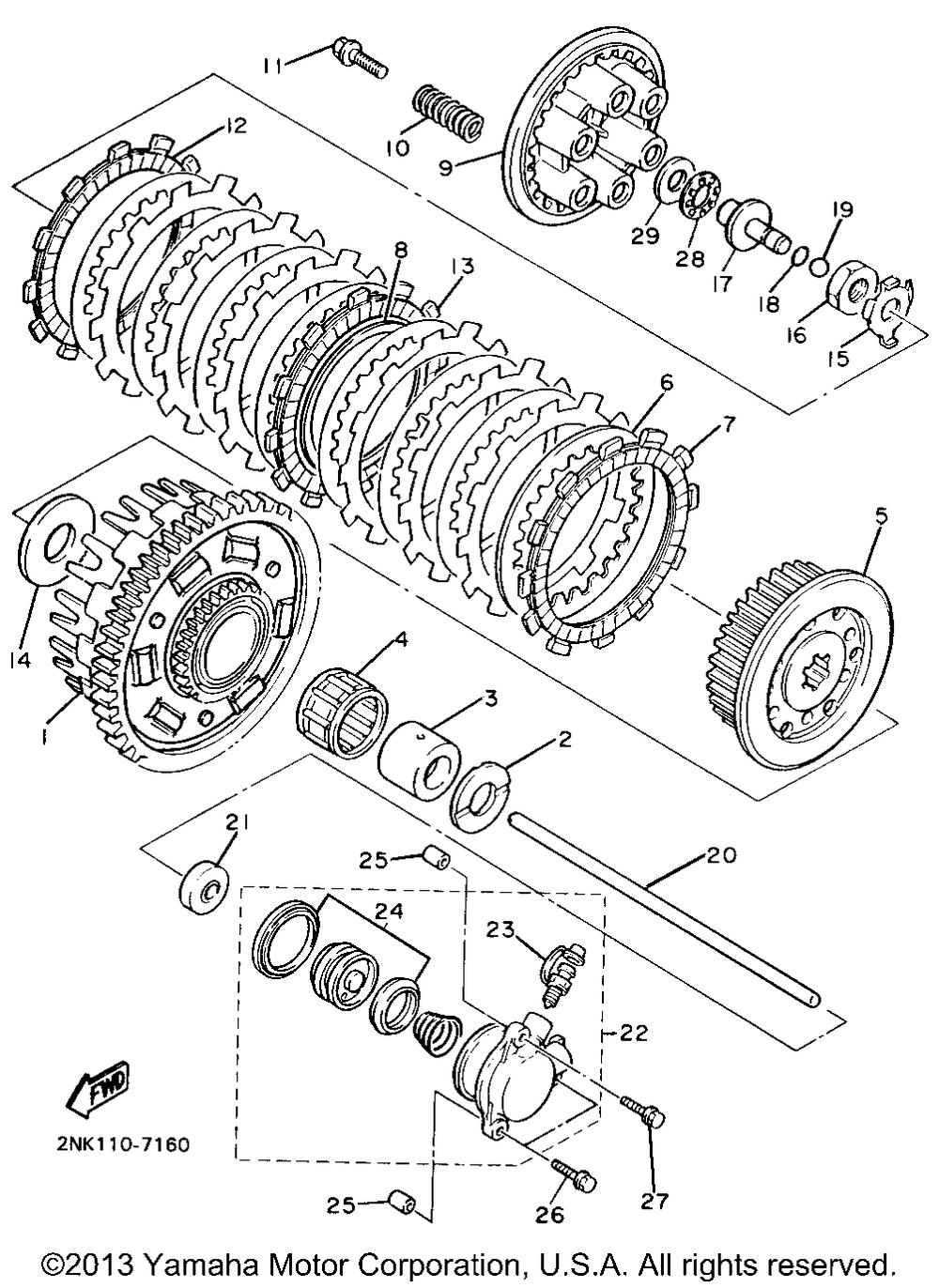
| 1 | PRI DRVN GEAR | 1 | |
| 2 | PLATETHRUST 1 | 1 | |
| 3 | COLLAR | 1 | |
| 4 | BEARINGCYL.tahos_10 | 1 | |
| 5 | BOSSCLUTCH | 1 | |
| 6 | PLATECLUTCH 2 (T=2.0) STD | 8 | |
| 7 | PLATE FRICTION | 7 | |
| 8 | SPRINGCLUTCH BOSS | 1 | |
| 9 | PLATEPRESSURE 1 | 1 | |
| 10 | SPRINGCOMPRESSION | 6 | |
| 11 | SCREW WITH WASHER | 6 | |
| 12 | PLATE FRICTION | 1 | |
| 13 | PLATE FRICTION | 1 | |
| 14 | PLATETHRUST 2 | 1 | |
| 15 | WASHERLOCK (5 per pack) | 1 | |
| 16 | NUTHEXAGON | 1 | |
| 17 | ROD PUSH 1 | 1 | |
| 18 | O-RING | 1 | |
| 19 | BALL 11/32 (5 per pack) | 1 | |
| 20 | RODPUSH 2 | 1 | |
| 21 | OIL SEALSDO-TYPE | 1 | |
| 22 | push lever comp | 1 | |
| 23 | BLEED SCREW KIT | 1 | |
| 24 | PUSH LEVER SEAL KT | 1 | |
| 25 | PIN DOWEL | 2 | |
| 26 | BOLTSMALL FLANGE | 2 | |
| 27 | BOLT SMALL FLANGE | 1 | |
| 28 | BEARINGFLAT tahos_40 | 1 | |
| 29 | WASHER PLATE | 1 |
