| № | Наименование | Примечание | Кол-во |
|---|---|---|---|
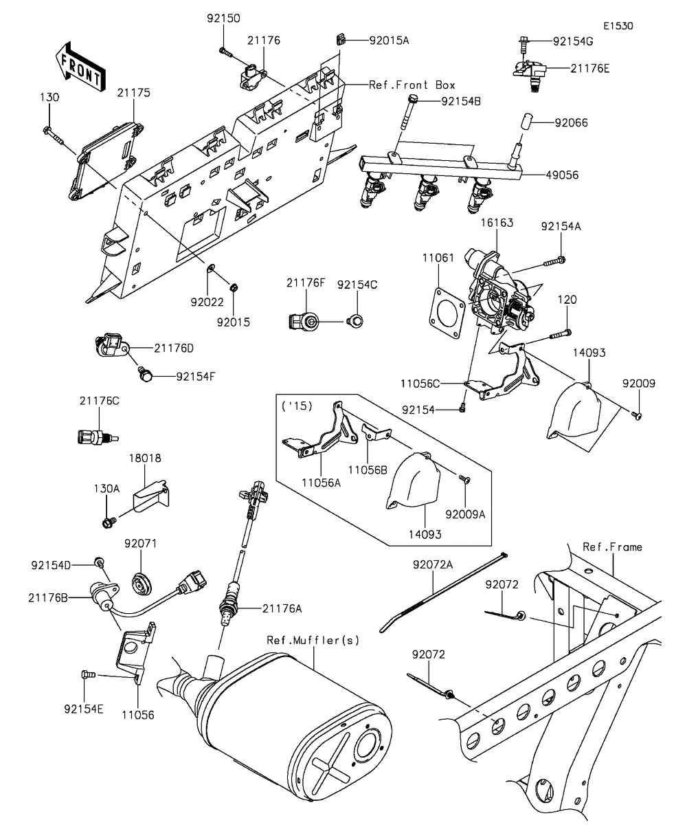
| 120 | BOLT-SOCKET6X40 | 1 | |
| 130 | BOLT-FLANGED6X35 | 4 | |
| 130A | BOLT-FLANGED8X14 | 1 | |
| 11056 | BRACKETCRANKSHAFT PO | 1 | |
| 11056C | BRACKETTHROTTLE CABL | 1 | |
| 11061 | GASKETTHROTTLE | 1 | |
| 18018 | PLATE-HEAT GUARD | 1 | |
| 21175 | CONTROL UNIT-ELECTRON | 1 | |
| 21176 | SENSORVEHICLE-DOWN | 1 | |
| 21176A | SENSOROXYGEN | 1 | |
| 21176B | SENSORCRANKSHAFT POS | 1 | |
| 21176C | SENSORWATER TEMP | 1 | |
| 21176D | SENSORCAMSHAFT POSIT | 1 | |
| 21176E | SENSORAIR INTAKE TEM | 1 | |
| 21176F | SENSOREXPLOSION | 1 | |
| 49056 | PIPE-INJECTION | 1 | |
| 92009 | SCREW5X14 | 2 | |
| 92015 | NUTFLANGED6MM CA | 4 | |
| 92015A | NUT | 2 | |
| 92022 | WASHER | 4 | |
| 92066 | PLUG | 1 | |
| 92071 | GROMMET | 1 | |
| 92072 | BAND | 2 | |
| 92072A | BAND | 3 | |
| 92150 | BOLT | 2 | |
| 92154 | BOLTSOCKET5X10 | 3 | |
| 92154A | BOLT6X38 | 3 | |
| 92154B | BOLT6X50 | 2 | |
| 92154C | BOLTFLANGED8X30 | 1 | |
| 92154D | BOLTFLANGED6X12 | 1 | |
| 92154E | BOLT6X12 | 2 | |
| 92154F | BOLT8X16 | 1 | |
| 92154G | BOLTFLANGED6X16 | 1 |
