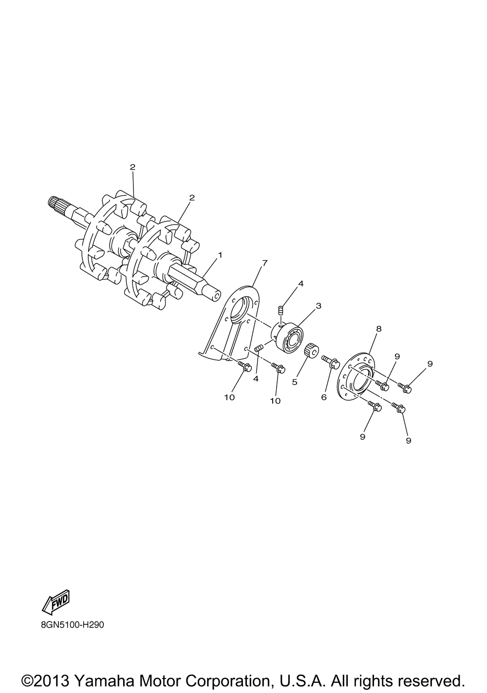
№ | Наименование | Примечание | Кол-во |
---|---|---|---|
1 | AXLE FRONT | 1 | |
2 | WHEEL SPROCKET 1 | 2 | |
3 | BEARING (8CJ) | 1 | |
4 | BOLT SET | 2 | |
5 | JOINT | 1 | |
6 | BOLTFLANGE (3GD) | 1 | |
7 | HOUSING REINF SUB-A (L.H) | 1 | |
8 | HOUSING FRONT AXLE | 1 | |
9 | BOLT FLANGE | 4 | |
10 | BOLTFLANGE(8AB) | 2 |