| № | Наименование | Примечание | Кол-во |
|---|---|---|---|
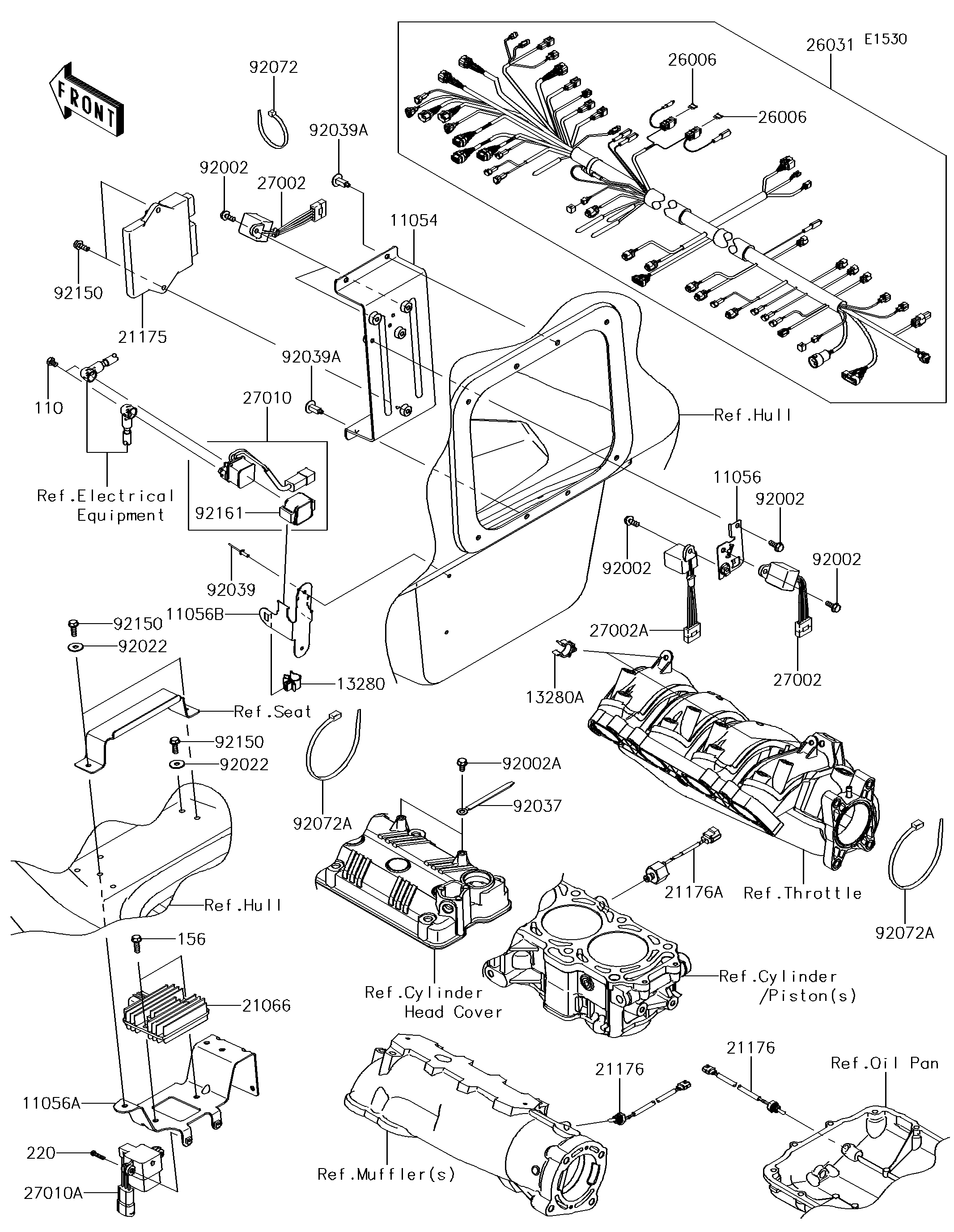
| 110 | BOLT 6X8 | 2 | |
| 156 | BOLT-WP6X20 | 2 | |
| 220 | SCREW-PAN-CROSS | 2 | |
| 11054 | BRACKETECU&RELAY | 1 | |
| 11056 | BRACKETRELAY | 1 | |
| 11056A | BRACKETREGULATOR&VDS | 1 | |
| 11056B | BRACKETSWITCH | 1 | |
| 13280 | HOLDER | 1 | |
| 13280A | HOLDERHARNESS | 2 | |
| 21066 | REGULATOR-VOLTAGE | 1 | |
| 21175 | CONTROL UNIT-ELECTRON | 1 | |
| 21176 | SENSORTEMP | 2 | |
| 21176A | SENSORKNOCK | 1 | |
| 26006 | FUSEMINI BLADE20AY | 2 | |
| 26031 | HARNESSMAIN | 1 | |
| 27002 | RELAY-ASSY | 3 | |
| 27002A | RELAY-ASSY | 1 | |
| 27010 | SWITCH | 1 | |
| 27010A | SWITCHSENSOR | 1 | |
| 92002 | BOLT6X16 | 5 | |
| 92002A | BOLT6X12 | 2 | |
| 92022 | WASHER | 3 | |
| 92037 | CLAMPL=100 | 2 | |
| 92039 | RIVET | 2 | |
| 92039A | RIVET | 4 | |
| 92072 | BANDL=188.85 | 1 | |
| 92072A | BANDL=372.24 | 2 | |
| 92150 | BOLT6X18 | 5 | |
| 92161 | DAMPERSWITCH | 1 |
