| № | Наименование | Примечание | Кол-во |
|---|---|---|---|
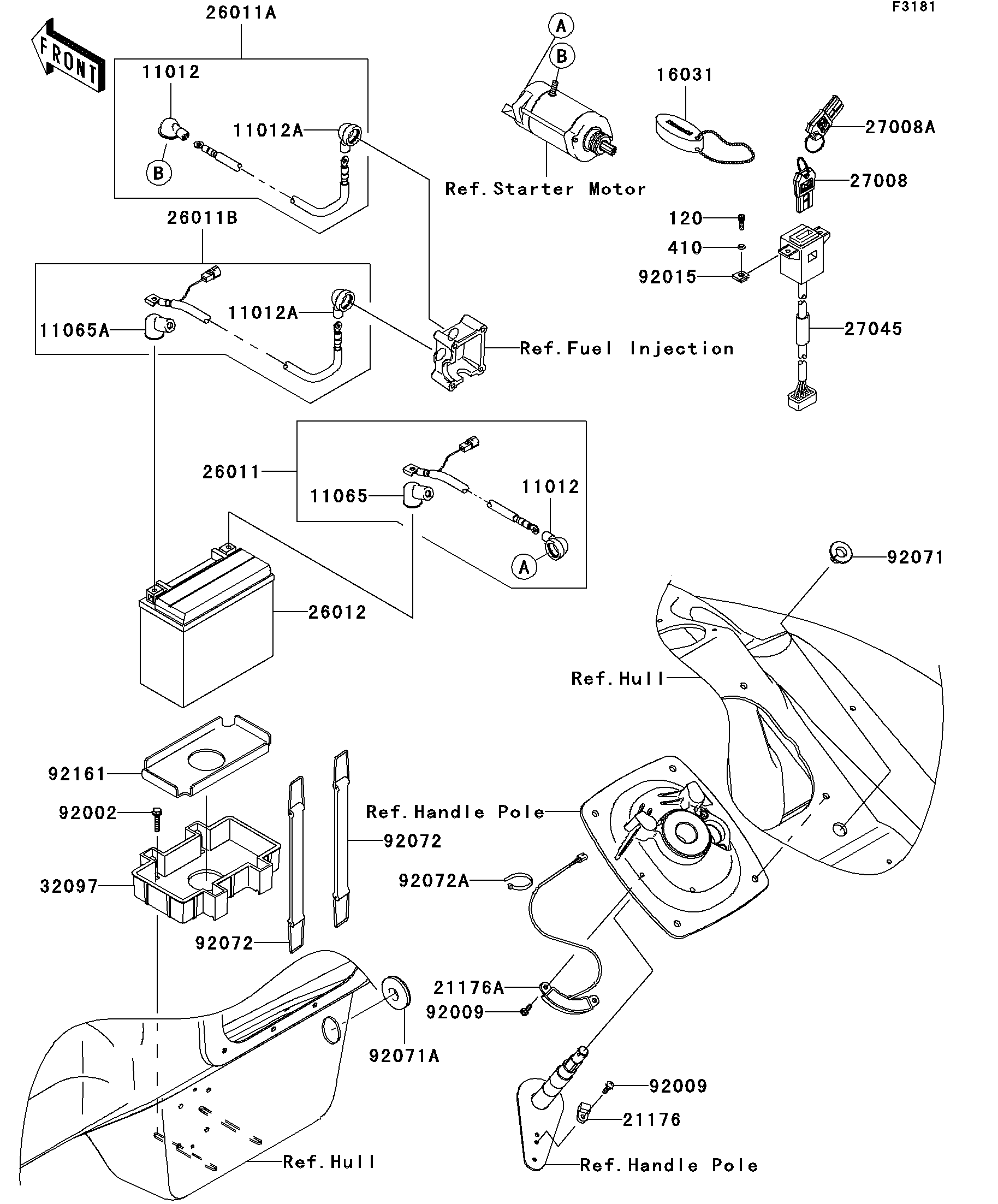
| 120 | BOLT-SOCKET | 2 | |
| 410 | WASHERPLAIN5MM | 2 | |
| 11012 | CAP | 2 | |
| 11012A | CAP | 2 | |
| 11065 | CAP | 1 | |
| 11065A | CAPTERMINAL | 1 | |
| 16031 | FLOATKEY | 1 | |
| 21176 | SENSORMAGNET | 1 | |
| 21176A | SENSORHOLE IC | 1 | |
| 26011 | WIRE-LEADBATTERY(-)- | 1 | |
| 26011A | WIRE-LEADRELAY-STARTER | 1 | |
| 26011B | WIRE-LEADRELAY-BATTERY(+) | 1 | |
| 26012 | YTX20L-BS12V 18AH | 1 | |
| 27008 | FPO MODE KEY | 1 | |
| 27008A | KEY-LOCKSUB | 1 | |
| 27045 | SWITCH-ASSY | 1 | |
| 32097 | CASE-BATTERY | 1 | |
| 92002 | BOLT6X30 | 4 | |
| 92009 | SCREW5X16 | 3 | |
| 92015 | NUT | 2 | |
| 92071 | GROMMET | 1 | |
| 92071A | GROMMET | 1 | |
| 92072 | BANDBATTERY | 2 | |
| 92072A | BANDL-100.08 | 1 | |
| 92161 | DAMPERBATTERY CASE | 1 |
