| № | Наименование | Примечание | Кол-во |
|---|---|---|---|
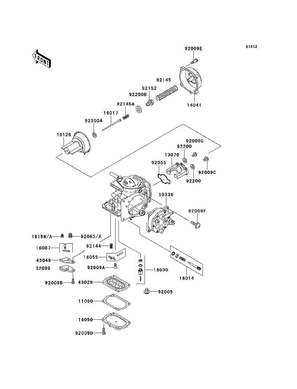
| 11060 | GASKETDIAPHRAGM COVE | 3 | |
| 13070 | GUIDEVACUUM VALVE | 3 | |
| 14041 | COVER-COMPMIXING | 3 | |
| 14090 | COVERDIAPHRAGM | 3 | |
| 16014 | SCREW-PILOT AIR | 3 | |
| 16017 | JET-NEEDLEN8DC | 3 | |
| 16030 | VALVE-FLOAT | 3 | |
| 16055 | ARM-FLOAT | 3 | |
| 16087 | VALVE-CHECK | 3 | |
| 16126 | VALVEVACUUM | 3 | |
| 16158 | JET-SLOWtahos_48 | 3 | |
| 16158A | JET-SLOWtahos_45 (OPTION) | 3 | |
| 32099 | CASEJET | 3 | |
| 43028 | DIAPHRAGMCARBURETOR | 3 | |
| 43049 | PACKING | 3 | |
| 59336 | CASE-PUMPDIAPHRAGM | 1 | |
| 92009 | SCREW | 3 | |
| 92009A | SCREW3X6 | 3 | |
| 92009B | SCREW | 6 | |
| 92009C | SCREWVALVE GUIDE | 6 | |
| 92009D | SCREWDIAPHRAGM COVE | 12 | |
| 92009E | SCREWMIXING COVER | 12 | |
| 92009F | SCREW6X16 | 4 | |
| 92055 | RING-OVACUUM VALVE G | 3 | |
| 92063 | JET-MAINtahos_165 | 3 | |
| 92063A | JET-MAINtahos_155 (OPTION) | 3 | |
| 92144 | SPRINGFLOAT ARM | 3 | |
| 92145 | SPRINGVALVE | 3 | |
| 92145A | SPRINGJET NEEDLE | 3 | |
| 92152 | COLLARJET NEEDLE | 3 | |
| 92200 | WASHERVALVE GUIDE | 6 | |
| 92200A | WASHERJET NEEDLE | 3 | |
| 92200B | WASHERJET NEEDLE COL | 3 |
