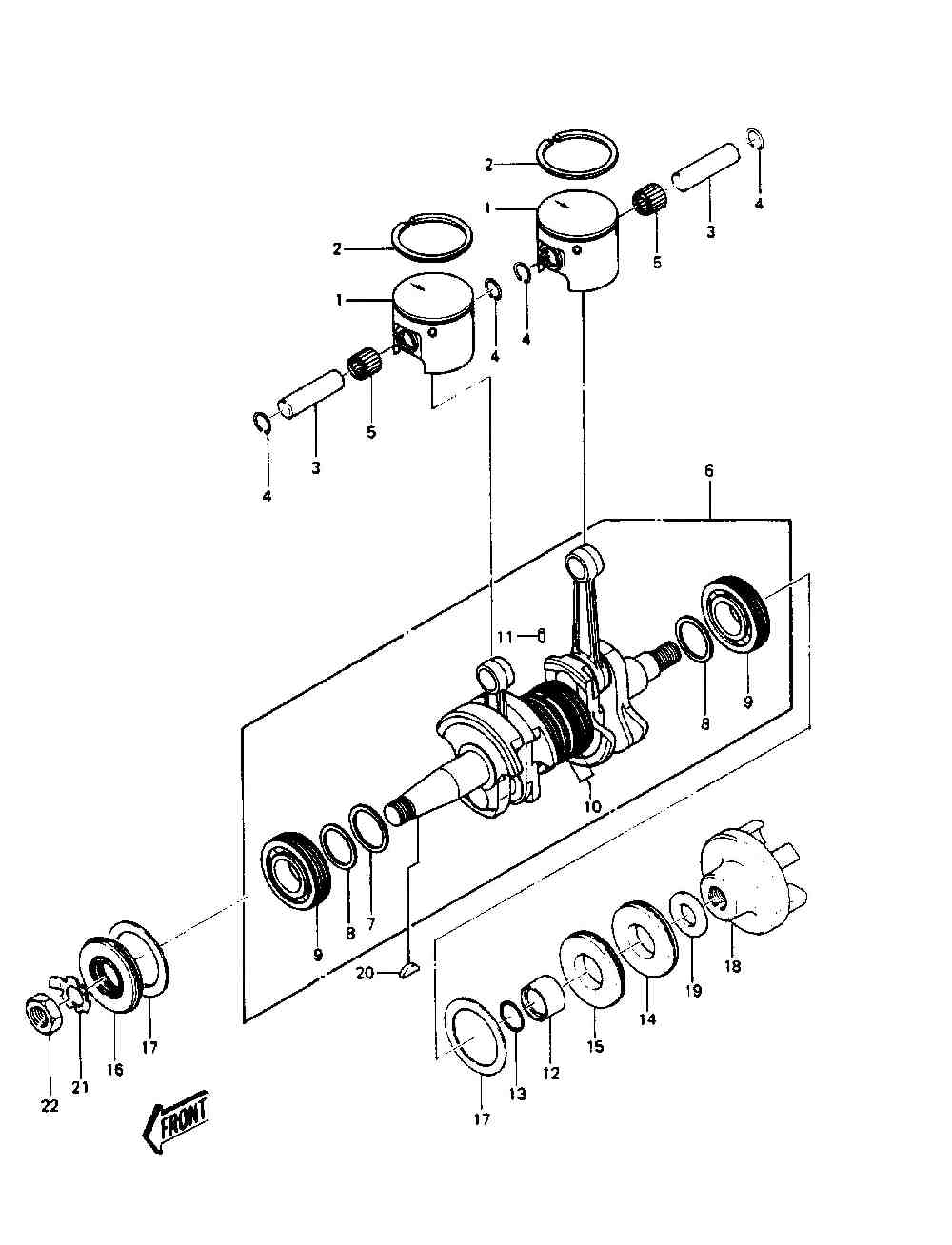
| № | Наименование | Примечание | Кол-во |
|---|---|---|---|
| 1 | PISTON-ENGINESTD | 2 | |
| 1A | PISTON-ENGINE LO/S 0 | 0 | |
| 2 | RING-PISTON TOPSTD | 2 | |
| 2A | RING-PISTON TOPO/S 0 | 0 | |
| 3 | PIN-PISTON | 2 | |
| 4 | CIRCLIP PISTON PIN | 4 | |
| 5 | BEARING-SMALL END | 2 | |
| 6 | CRANKSHAFT-COMP | 1 | |
| 7 | SHIM-1.0T | 1 | |
| 8 | SHIM 0.1T | 0 | |
| 8A | SHIM 0.2T | 0 | |
| 8B | SHIM 0.3T | 0 | |
| 8C | SHIM 0.4T | 0 | |
| 8D | SHIM 0.5T | 0 | |
| 8E | SHIM 0.6T | 0 | |
| 9 | BEARING-BALL | 2 | |
| 10 | O-RING | 2 | |
| 11 | PINDOWEL | 1 | |
| 12 | SLEEVECRANKSHAFT OUT | 1 | |
| 13 | "0" RINGCRANKSHAFT | 1 | |
| 14 | SEAL-OILTCY306210 | 1 | |
| 15 | SEAL-OILDCY30629 | 1 | |
| 16 | SEALOIL TCY306210 | 1 | |
| 17 | WASHER | 2 | |
| 18 | COUPLING | 1 | |
| 19 | WASHER18.5X38X4 | 1 | |
| 20 | WOODRUFF KEY | 1 | |
| 21 | WASHERLOCK20M/M | 1 | |
| 22 | NUT20M/M | 1 |
