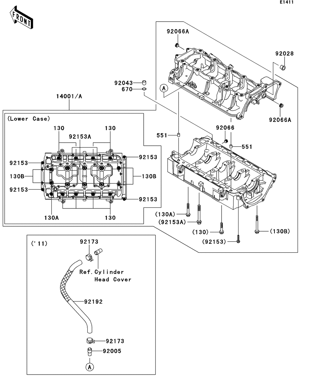
Crankcase

Корзина пуста
Наименование Примечание Кол-во
130 BOLT-FLANGED 8
130A BOLT-FLANGED 1
130B BOLT-FLANGED 4
551 PIN-DOWEL 2
670 0 RING14MM 1
14001 SET-CRANKCASE 1
92028 BUSHING 1
92043 PIN11.5X14X14 1
92066 PLUG 1
92066A PLUG 2
92153 BOLT6X30 4
92153A BOLT10X85 6