| № | Наименование | Примечание | Кол-во |
|---|---|---|---|
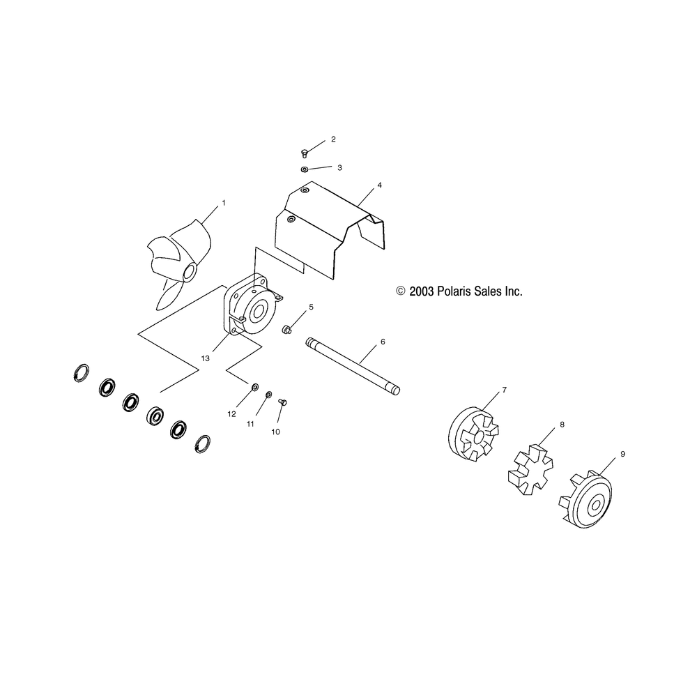
| 2 | SCR-M6X1.0X12 PH/PAN HD-SS (10) (10 per pack) | 3 | |
| 3 | WASHER LOCK | 3 | |
| 4 | SHROUD-COUPLERPWC | 1 | |
| 5 | BUMPER | 1 | |
| 6 | SHAFT-DRIVE | 1 | |
| 7 | COUPLER-DRIVESHAFT | 1 | |
| 8 | CUSHION-RUBBERDRIVE | 1 | |
| 10 | SCREW | 4 | |
| 12 | WASHER FLAT S.S.(10) (10 per pack) | 4 | |
| 13 | BEARING | 1 | |
| 13 | PIN-DOWELM6X10 | 2 | |
| 13 | RING-RETAINING | 2 | |
| 13 | ASM-BEARINGHOUSINGDRIVESHAFT | 1 |
