Оригинальные каталоги
Масла и жидкости
Масла моторные
Масла трансмиссионные
Жидкости гидравлические
Жидкости охлаждающие
Жидкости тормозные
Масла гидравлические
Масла для вилок и амортизаторов
Масла компрессорные
Жидкости для стекол
Масла для цепей бензопил
Масла индустриальные
Масла промывочные
Раствор мочевины AdBlue
Автоэлектроника
Видеорегистраторы
Пылесосы автомобильные
FM трансмиттеры
Зарядные устройства
Разветвители, удлинители прикуривателя
Кабели
Вентиляторы автомобильные
Штекер прикуривателя
Датчик парктроника
Камеры заднего вида
Мониторы парковочные
Парктроники
Термометры
Накидки на сиденье с подогревом
Автохолодильники
Антирадары
Диагностический сканер
Аксессуары
Набор автомобилиста
Ароматизаторы
Тросы буксировочные
Канистры
Ремни крепления груза
Стяжки-резинки крепления
Сетки для крепления груза
Скотч
Влажные салфетки
Держатели телефонов, планшетов
Карты памяти
Наушники
Аккумулятор холода
Термосумки и контейнеры
Фонарики
Батарейки
Оплетки на руль
Огнетушители
Салфетки, полотенца, варежки
Инструмент
Домкраты
Компрессоры
Манометры
Насосы
Светильники переносные
Шарнирно-губцевый инструмент
Ударный инструмент
Метчики. Плашки
Заклёпочники
Заклёпки
Измерительный инструмент
Свёрла
Отвёртки
Изолента
Надфили. Напильники
Ножи, ножовки
Щётки
Абразивная бумага
Специнструмент
Ключи
Хомуты
Дрель-шуруповерт
Автохимия
Присадки
Промывки
Очистители
Смазки спрей
Смазки пластичные
Герметики
Средство для рук
Клей
Лакокрасочные материалы
Автошампуни
Полироли
Антифриз для тормозной системы
Масло для пропитки фильтров
Антикоррозионные составы
Прочее
Электрооборудование
Зарядные устройства
Инверторы
Конвертеры
Звуковые сигналы
Провода прикуривания
Предохранители
Противотуманные фары
Дневные ходовые огни
Электрика фаркопа
Шины и диски
Автошины
Грузовые шины
Мотошины
Камеры
Мотокамеры
Лента обода шины
Колпаки
Диски
Одежда и экипировка
Жилеты
Запчасти
Аккумуляторы
Лампы
Щетки стеклоочистителя
Гофры глушителя
Велотовары
Велосипеды
Самокаты
Велокамеры
Искать по VIN или номеру детали
Поиск по штрих-коду
Искать по VIN-номеру
Войти
Авторизация
Логин
Пароль
Напомнить пароль
Запомнить
Войти
Зарегистрироваться
Авторизоваться другим способом
Востановить пароль
Введите ваш email:
03- Magneto
Корзина пуста
SEA-DOO
GTS, 5818
GTS, 5818
03- Magneto
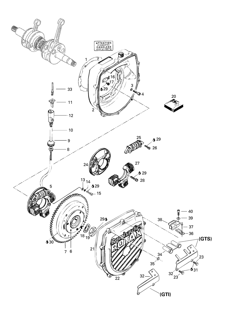
№
Наименование
Примечание
Кол-во
GROUND PLATE
1
1
JOINT ETANCHE *GASKET
1
2
BOITIER IGNIT. *HOUSING-IGNIT.
1
3
WASHER-LOCK DIN.128 (10.000 per pack)
8
4
SOCKET HEAD SCREW M6 X 25 (10.000 per pack)
8
5
ARMATURE PLATE ASS Y
1
6
MAGNETO FLYWHEEL ASS Y Includes 6 - 7.
1
6
FLYWHEEL
1
7
STARTER GEAR 77 TEETH
1
8
PASSE-FILS 4 T *GROMMET-4 WAYS (5.000 per pack)
1
9
ELECTRIC WIRE CAP (5.000 per pack)
1
10
TUBING ISOLATION 75 MM
1
11
FEMALE WEDGE 4 CIRCUITS (10.000 per pack)
1
12
FEMALE HOUSING 4 CIRCUITS
1
13
RONDELLE *WASHER (5.000 per pack)
3
14
RONDELLE-FREIN *WASHER-LOCKtahos_5 (10.000 per pack)
3
15
SOCKET HEAD SCREW M5 X 18 (10.000 per pack)
3
16
RETAINER PLATE
1
17
HEX. SCREW M5 X 8 (5.000 per pack)
2
18
RONDELLE-FREIN *WASHER-LOCK 22 (10.000 per pack)
1
19
HEX. NUT M22 X 1.5
1
20
PROTECTION MAT
1
21
O-RING
1
22
IGNITION COVER BLACK
1
23
TAPTITE SCREW M6 X 25 (10.000 per pack)
10
25
GENERATING COIL Tundra.
1
26
SCREW M5 X 22 WITH WASHER (10.000 per pack)
2
27
LIGHTING COIL Tundra.
1
28
SCREW M6 X 25 WITH WASHER Tundra. (5.000 per pack)
2
29
LOCTITE 243 10 ML
0
30
LOCTITE 648 10 ML
0
32
PLAQUE MASSE *PLATE-GROUND
1
33
MALE TERMINAL (10.000 per pack)
4
34
INSULATOR
1
35
EXTERNAL SERRATED LOCK WASHER 6 MM (5.000 per pack)
2
36
Clip
1
37
POP RIVET 3/16" (10.000 per pack)
1
38
ADAPTOR
1
39
FLAT WASHER M6 STAINLESS (25.000 per pack)
1
40
SOCKET SCREW M6 X 16 (10.000 per pack)
1
41
SET-GASKET
0