| № | Наименование | Примечание | Кол-во |
|---|---|---|---|
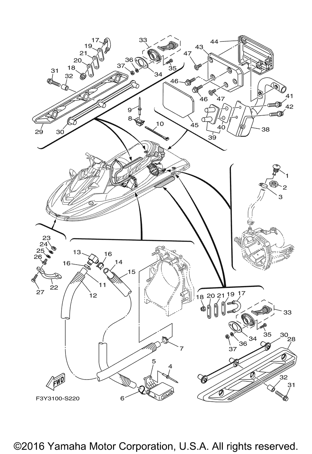
| 1 | SPOUT | 1 | |
| 2 | NUT | 1 | |
| 3 | BAND HOSE (5 per pack) | 1 | |
| 4 | STRAINER BILGE | 1 | |
| 5 | RIVET BLIND (10 per pack) | 1 | |
| 6 | CLAMP | 1 | |
| 7 | CLIPSCISSOR | 1 | |
| 8 | BASE CLAMP | 1 | |
| 9 | RIVET BLIND | 1 | |
| 10 | CLAMP (5 per pack) | 1 | |
| 11 | HOSE 2 | 1 | |
| 12 | TUBE2 | 1 | |
| 13 | JOINT HOSE | 1 | |
| 14 | HOSE | 1 | |
| 15 | TUBE | 1 | |
| 16 | CLIP | 2 | |
| 17 | STERN EYE | 2 | |
| 18 | NUT SELF-LOCKING | 4 | |
| 19 | PLATE A | 2 | |
| 21 | PACKING | 2 | |
| 22 | BOWEYE 1 | 1 | |
| 23 | NUTHEX(COARSE) (COARS) | 2 | |
| 24 | WASHER | 2 | |
| 25 | WASHER | 2 | |
| 26 | NUT (BOLT/NUT) (BOLT/NUT) | 2 | |
| 27 | BOLT HEXAGON SOCKET | 2 | |
| 28 | STABILIZER LH | 1 | |
| 29 | STABILIZER RH | 1 | |
| 30 | BRACKETSTABILIZER | 2 | |
| 31 | BOLTWASHER BASED | 6 | |
| 32 | SPACER | 6 | |
| 33 | DRAIN PLUG ASSY | 2 | |
| 34 | PACKING DRAIN | 2 | |
| 35 | SCREW PAN HEAD | 4 | |
| 36 | WASHER | 4 | |
| 37 | NUT FLANGE | 4 | |
| 38 | LADDER STEP ASSY | 1 | |
| 39 | BRACKET LADDER LH | 1 | |
| 40 | PACKING BRKT. 1 | 1 | |
| 43 | STEP | 1 | |
| 44 | PLATE STEP 1 | 1 | |
| 45 | COVER STEP 1 | 1 | |
| 46 | BOLTWITH WASHER | 2 | |
| 47 | SCREW | 3 |
