| № | Наименование | Примечание | Кол-во |
|---|---|---|---|
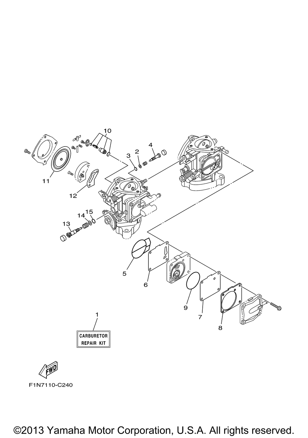
| 1 | CARBURETOR REPAIR KI | 1 | |
| 2 | WASHERNEEDLE | 4 | |
| 3 | O-RING | 2 | |
| 4 | PLATE NEEDLE FITTIN | 2 | |
| 5 | O-RING | 2 | |
| 6 | DIAPHRAGM CARBURETOR 1 | 1 | |
| 7 | VALVECHECK CARBURETOR 1 | 1 | |
| 8 | GASKETFUEL PUMP 1 CARBURETOR 1 | 1 | |
| 9 | O-RING CARBURETOR 1 | 1 | |
| 10 | NEEDLE | 2 | |
| 11 | DIAPHRAGMPUMP | 2 | |
| 12 | GASKET | 2 | |
| 13 | SCREW PILOT | 2 | |
| 14 | WASHERNEEDLE | 2 | |
| 15 | O-RING | 2 |
