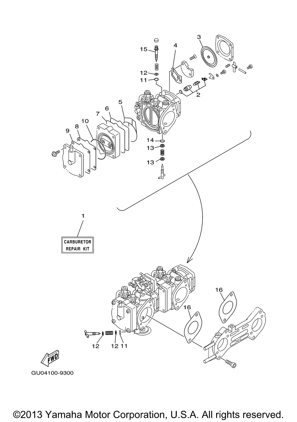
| № | Наименование | Примечание | Кол-во |
|---|---|---|---|
| 1 | CARBURETOR REPAIR | 1 | |
| 2 | NEEDLE | 2 | |
| 3 | DIAPHRAGMPUMP | 2 | |
| 4 | GASKET | 2 | |
| 5 | O-RING | 2 | |
| 6 | DIAPHRAGM ASSY | 2 | |
| 7 | DIAPHRAGM | 2 | |
| 8 | DIAPHRAGM ASSY | 2 | |
| 9 | GASKETFUEL PUMP 1 | 2 | |
| 10 | O-RING | 2 | |
| 11 | O-RING | 3 | |
| 12 | WASHERNEEDLE | 4 | |
| 13 | WASHERNEEDLE | 4 | |
| 14 | O-RING | 2 | |
| 15 | PLATE NEEDLE FIT. | 2 | |
| 16 | GASKET | 2 |
