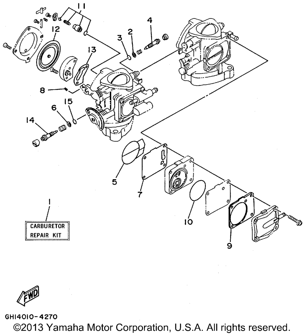
| № | Наименование | Примечание | Кол-во |
|---|---|---|---|
| 1 | CARB REPAIR KIT | 1 | |
| 2 | WASHER (5 per pack) | 3 | |
| 3 | O-RING (5 per pack) | 2 | |
| 4 | PLATE NEEDLE FIT. | 2 | |
| 5 | O-RING | 2 | |
| 6 | WASHER (5 per pack) | 2 | |
| 7 | DIAPHRAGM CARBURETOR 1 | 1 | |
| 8 | VALVECHECK CARBURETOR 1 | 1 | |
| 9 | GASKETFUEL PUMP 1 CARBURETOR 1 | 1 | |
| 10 | O-RING CARBURETOR 1 | 1 | |
| 11 | NEEDLE | 2 | |
| 12 | DIAPHRAGMPUMP | 2 | |
| 13 | GASKET | 2 | |
| 14 | . SCREW PILOT | 2 | |
| 15 | O-RING | 2 |
