| № | Наименование | Примечание | Кол-во |
|---|---|---|---|
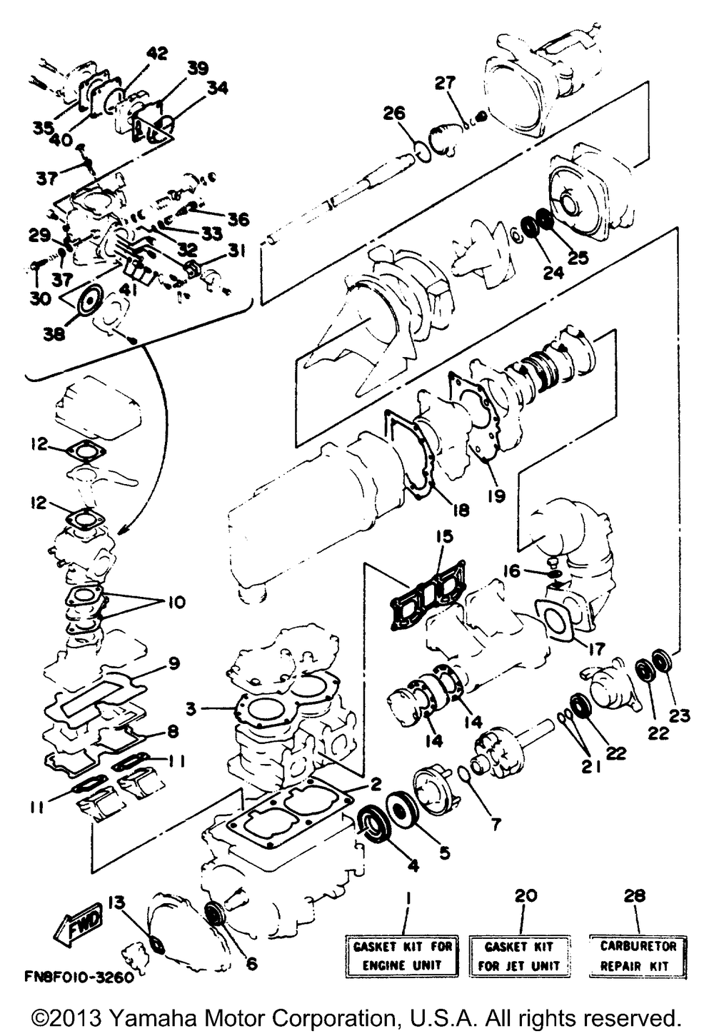
| 1 | GASKET KITENGINE FOR ENGINE UNIT | 1 | |
| 2 | GASKET CYLINDER | 1 | |
| 3 | GASKET CYL. HEAD | 1 | |
| 4 | OIL SEALSD-TYPE | 1 | |
| 5 | OIL SEALS-TYPE | 1 | |
| 6 | OIL SEALSW-TYPE | 1 | |
| 7 | O-RING FOR PREV. MODEL (~ 94) | 2 | |
| 8 | GASKET | 1 | |
| 9 | GASKET | 1 | |
| 10 | GASKETMANIFOLD | 2 | |
| 11 | GASKETVALVE SEAT | 2 | |
| 12 | GSKAIR COOL COV.1 | 2 | |
| 13 | GASKETPUMP CASE (5 per pack) | 1 | |
| 14 | GASKET MUFFLER DAMP | 1 | |
| 15 | GASKETEXST PIPE | 1 | |
| 16 | GASKET (USA) | 1 | |
| 17 | GASKET MUFFLER DAMP | 1 | |
| 18 | GASKETSILENCER | 1 | |
| 19 | GASKETEXH.COVER | 1 | |
| 20 | GASKET KIT FOR JET UNIT | 1 | |
| 21 | O-RING (5 per pack) | 2 | |
| 22 | OIL SEALS-TYPE | 2 | |
| 23 | OIL SEALS-TYPE | 1 | |
| 24 | OIL SEALSD-TYPE | 1 | |
| 25 | OIL SEALS-TYPE | 1 | |
| 26 | O-RING | 1 | |
| 27 | GASKET (6F5) | 1 | |
| 28 | CARB REPAIR KIT | 1 | |
| 29 | O-RING (5 per pack) | 1 | |
| 30 | PLATE NEEDLE FIT. | 1 | |
| 31 | GASKET | 1 | |
| 32 | O-RING | 1 | |
| 33 | WASHER (5 per pack) | 1 | |
| 34 | O-RING | 1 | |
| 35 | GASKETFUEL PUMP 1 CARBURETOR 1 | 1 | |
| 36 | . SCREW PILOT | 1 | |
| 37 | WASHER (5 per pack) | 2 | |
| 38 | DIAPHRAGMPUMP | 1 | |
| 39 | DIAPHRAGM CARBURETOR 1 | 1 | |
| 40 | VALVECHECK CARBURETOR 1 | 1 | |
| 41 | NEEDLE | 1 | |
| 42 | O-RING CARBURETOR 1 | 1 |
