| № | Наименование | Примечание | Кол-во |
|---|---|---|---|
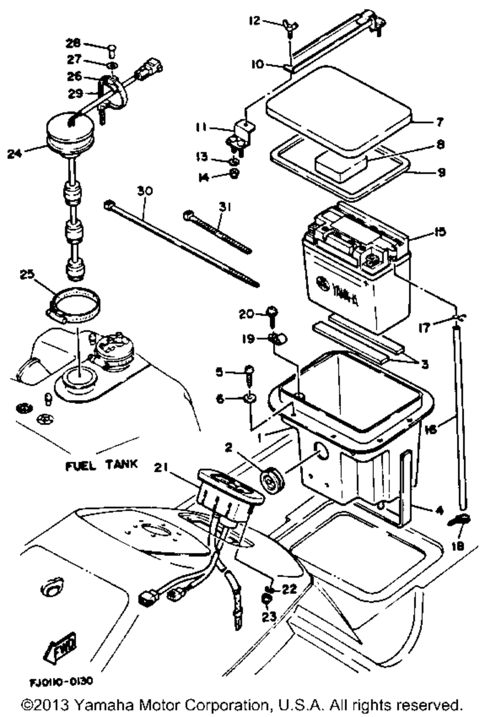
| 1 | CASEBATTERY | 1 | |
| 2 | GROMMET | 1 | |
| 3 | PAD BATTERY 1 | 2 | |
| 4 | PADBATTERY 2 | 1 | |
| 5 | SCREW PANHEAD (97701-50515-00) | 8 | |
| 6 | WASHER (5 per pack) | 8 | |
| 7 | BATTERY CASE COVER YMUS | 1 | |
| 8 | PADBATTERY 3 | 1 | |
| 9 | PADBATTERY 4 | 1 | |
| 10 | BAND BATTERY CASE | 1 | |
| 11 | END PLATE | 1 | |
| 12 | BOLTWING | 1 | |
| 14 | NUTSELF-LOCKING | 4 | |
| 15 | YB16CLB YUASA BATTE (YB16CL-B) YUASA | 1 | |
| 16 | HOSE AIR VENT 5 | 1 | |
| 17 | CLIPSCISSOR | 1 | |
| 18 | CLAMP | 1 | |
| 19 | CLIPNYLON | 1 | |
| 20 | SCREWTAPPING (10 per pack) | 1 | |
| 21 | METER ASSY | 1 | |
| 24 | FUEL SENSOR | 1 | |
| 25 | BANDHOSE 62 | 1 | |
| 26 | CLAMP | 2 | |
| 27 | WASHER PLAIN | 2 | |
| 28 | RIVETBLIND (5 per pack) | 2 | |
| 29 | BAND | 2 | |
| 30 | CLIPNYLON 1 (6K8) | 1 |
