Оригинальные каталоги
Масла и жидкости
Масла моторные
Масла трансмиссионные
Жидкости гидравлические
Жидкости охлаждающие
Жидкости тормозные
Масла гидравлические
Масла для вилок и амортизаторов
Масла компрессорные
Жидкости для стекол
Масла для цепей бензопил
Масла индустриальные
Масла промывочные
Раствор мочевины AdBlue
Автоэлектроника
Видеорегистраторы
Пылесосы автомобильные
FM трансмиттеры
Зарядные устройства
Разветвители, удлинители прикуривателя
Кабели
Вентиляторы автомобильные
Штекер прикуривателя
Датчик парктроника
Камеры заднего вида
Мониторы парковочные
Парктроники
Термометры
Накидки на сиденье с подогревом
Автохолодильники
Антирадары
Диагностический сканер
Аксессуары
Набор автомобилиста
Ароматизаторы
Тросы буксировочные
Канистры
Ремни крепления груза
Стяжки-резинки крепления
Сетки для крепления груза
Скотч
Влажные салфетки
Держатели телефонов, планшетов
Карты памяти
Наушники
Аккумулятор холода
Термосумки и контейнеры
Фонарики
Батарейки
Оплетки на руль
Огнетушители
Салфетки, полотенца, варежки
Инструмент
Домкраты
Компрессоры
Манометры
Насосы
Светильники переносные
Шарнирно-губцевый инструмент
Ударный инструмент
Метчики. Плашки
Заклёпочники
Заклёпки
Измерительный инструмент
Свёрла
Отвёртки
Изолента
Надфили. Напильники
Ножи, ножовки
Щётки
Абразивная бумага
Специнструмент
Ключи
Хомуты
Дрель-шуруповерт
Автохимия
Присадки
Промывки
Очистители
Смазки спрей
Смазки пластичные
Герметики
Средство для рук
Клей
Лакокрасочные материалы
Автошампуни
Полироли
Антифриз для тормозной системы
Масло для пропитки фильтров
Антикоррозионные составы
Прочее
Электрооборудование
Зарядные устройства
Инверторы
Конвертеры
Звуковые сигналы
Провода прикуривания
Предохранители
Противотуманные фары
Дневные ходовые огни
Электрика фаркопа
Шины и диски
Автошины
Грузовые шины
Мотошины
Камеры
Мотокамеры
Лента обода шины
Колпаки
Диски
Одежда и экипировка
Жилеты
Запчасти
Аккумуляторы
Лампы
Щетки стеклоочистителя
Гофры глушителя
Велотовары
Велосипеды
Самокаты
Велокамеры
Искать по VIN или номеру детали
Поиск по штрих-коду
Искать по VIN-номеру
Войти
Авторизация
Логин
Пароль
Напомнить пароль
Запомнить
Войти
Зарегистрироваться
Авторизоваться другим способом
Востановить пароль
Введите ваш email:
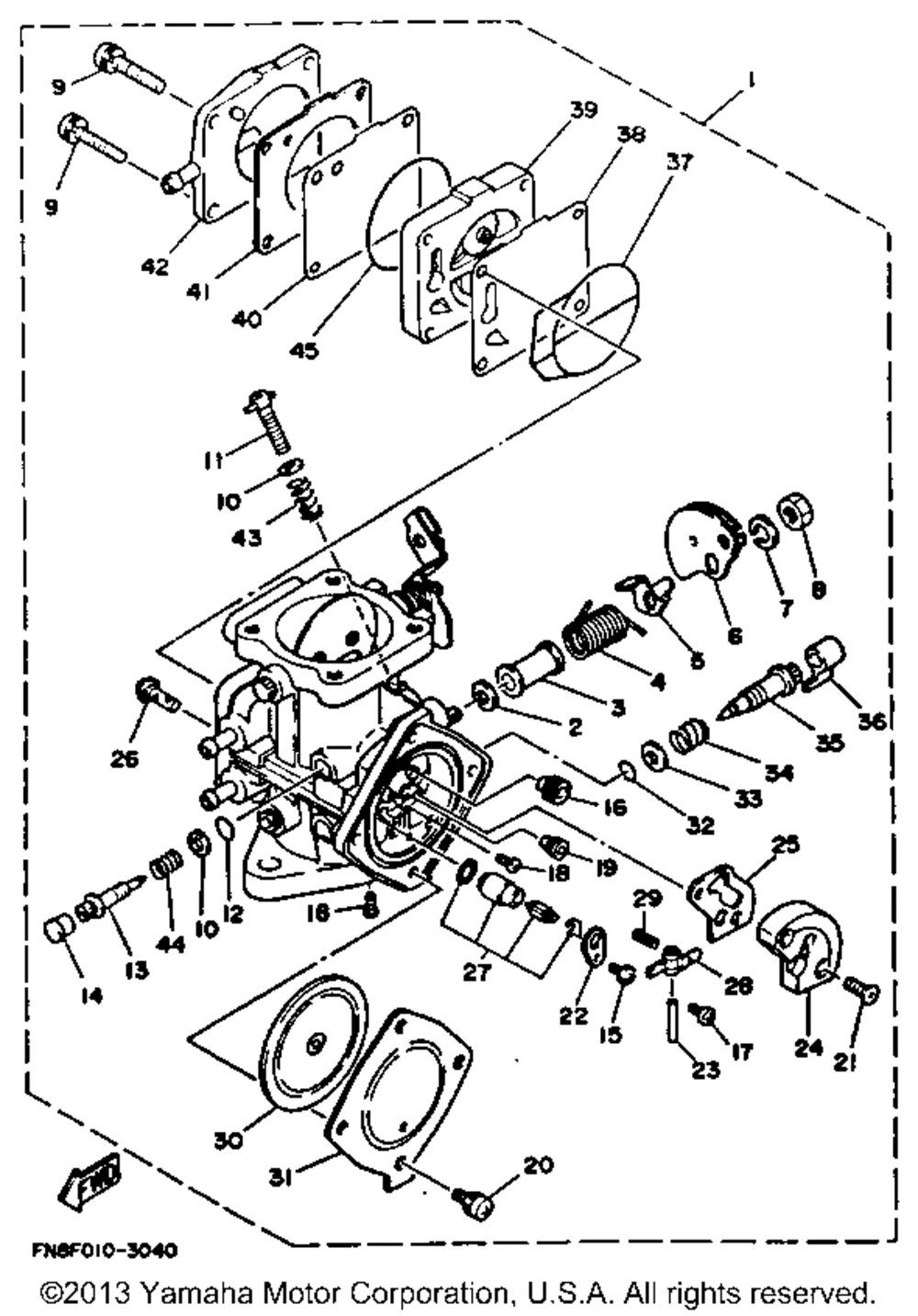
CARBURETOR
Корзина пуста
Yamaha
WAVE RUNNER III WRA650RA
WAVE RUNNER III WRA650RA
CARBURETOR
№
Наименование
Примечание
Кол-во
1
CARBURETOR ASY 1
1
2
WASHER
2
3
COLLAR
1
4
SPRING
1
5
BRACKETTHROTTLE 1 CARBURETOR 2
1
6
LEVERTHROTTLE CBL
1
7
WASHERSPRING
1
8
NUT
1
9
SCREWPAN HEAD W/W CARBURETOR 1 (5 per pack)
4
10
WASHER (5 per pack)
2
11
SCREWADJUST CARBURETOR 2
1
12
O-RING (5 per pack)
1
13
PLATE NEEDLE FIT.
1
14
CAPCARBURETOR
1
15
ADJUST SCREW SET
1
16
JETMAIN tahos_115 (tahos_115) (tahos_2) FRONT
1
17
ADJUST SCREW SET
1
18
SCREW ADJUST
2
19
JETMAIN (tahos_120) (tahos_120)
1
20
SCREW (5 per pack)
4
21
SCREW STOP
2
22
PLATE
1
23
PINFLOAT ARM
1
24
BODY 1
1
25
GASKET
1
26
STRAINER
1
27
NEEDLE
1
28
ARM FLOAT
1
29
SPRING (5 per pack)
1
30
DIAPHRAGMPUMP
1
31
BODYPUMP 1
1
32
O-RING
1
33
WASHER (5 per pack)
1
34
SPRINGADJ. SCREW
1
35
. SCREW PILOT
1
36
CAP CARBURETOR
1
37
O-RING
1
38
DIAPHRAGM CARBURETOR 1
1
39
BODY 2 CARBURETOR 1
1
40
VALVECHECK CARBURETOR 1
1
41
GASKETFUEL PUMP 1 CARBURETOR 1
2
42
COVER CARBURETOR 1
1
43
SPRINGAJST SCREW CARBURETOR 2
1
44
SPRINGAJST SCREW (5 per pack)
1
45
O-RING CARBURETOR 1
1