| № | Наименование | Примечание | Кол-во |
|---|---|---|---|
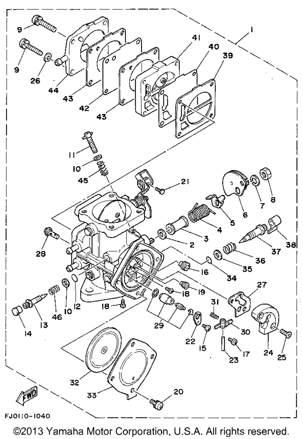
| 1 | CARBURETOR ASSY | 1 | |
| 2 | WASHER | 2 | |
| 3 | COLLAR | 1 | |
| 4 | SPRING | 1 | |
| 5 | BRACKETTHROTTLE 1 CARBURETOR 2 | 1 | |
| 6 | LEVERTHROTTLE CBL | 1 | |
| 7 | WASHERSPRING | 1 | |
| 8 | NUT | 1 | |
| 9 | SCREWPAN HEAD W/W CARBURETOR 1 (5 per pack) | 4 | |
| 10 | WASHER (5 per pack) | 2 | |
| 11 | SCREWADJUST CARBURETOR 1 | 1 | |
| 12 | O-RING | 1 | |
| 13 | PLATE NEEDLE FIT. | 1 | |
| 14 | CAP | 1 | |
| 15 | ADJUST SCREW SET | 1 | |
| 16 | JETMAIN tahos_115 (tahos_115) (tahos_2) FRONT | 1 | |
| 17 | ADJUST SCREW SET | 1 | |
| 18 | SCREW ADJUST | 2 | |
| 19 | JETMAIN (tahos_120) (tahos_120) | 1 | |
| 20 | SCREW (5 per pack) | 4 | |
| 21 | SCREW | 1 | |
| 22 | PLATE | 1 | |
| 23 | PINFLOAT | 1 | |
| 24 | BODY 1 | 1 | |
| 25 | SCREW STOP | 2 | |
| 26 | WASHER (5 per pack) | 4 | |
| 27 | GASKET | 1 | |
| 28 | STRAINER | 1 | |
| 29 | NEEDLE | 1 | |
| 30 | ARMDIAPHRAGM | 1 | |
| 31 | SPRING (5 per pack) | 1 | |
| 32 | DIAPHRAGMPUMP | 1 | |
| 33 | BODYPUMP 1 | 1 | |
| 34 | O-RING | 1 | |
| 35 | WASHER (5 per pack) | 1 | |
| 36 | SPRINGADJ. SCREW | 1 | |
| 37 | . SCREW PILOT | 1 | |
| 38 | CAP CARBURETOR | 1 | |
| 39 | GASKETBODY 2 | 1 | |
| 40 | DIAPHRAGM | 1 | |
| 41 | BODY 2 | 1 | |
| 42 | VALVECHECK CARBURETOR 1 | 1 | |
| 43 | GASKETFUEL PUMP 1 | 2 | |
| 44 | COVER CARBURETOR 1 | 1 | |
| 45 | SPRINGAJST SCREW CARBURETOR 2 | 1 | |
| 46 | SPRINGAJST SCREW (5 per pack) | 1 |
