| № | Наименование | Примечание | Кол-во |
|---|---|---|---|
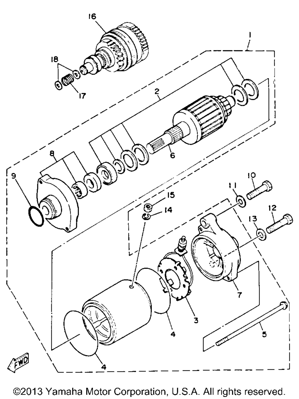
| 1 | STARTING MOTOR ASY | 1 | |
| 2 | WASHER KIT | 1 | |
| 3 | BRUSH HOLDER ASSY | 1 | |
| 4 | GASKET | 2 | |
| 5 | BOLT | 2 | |
| 6 | ARMATURE ASY | 1 | |
| 7 | REAR BRACKET ASY | 1 | |
| 8 | FRONT BRACKET ASY | 1 | |
| 9 | O-RING | 1 | |
| 10 | BOLT (97322-08040) | 1 | |
| 11 | WASHER (5 per pack) | 1 | |
| 12 | BOLT (661) | 1 | |
| 14 | WASHER (5 per pack) | 1 | |
| 15 | NUT | 1 | |
| 16 | Привод с механизмом свободного хода стартера | 1 | |
| 17 | SPRINGCOMPRESSION | 1 | |
| 18 | WASHER (5 per pack) | 2 |
