| № | Наименование | Примечание | Кол-во |
|---|---|---|---|
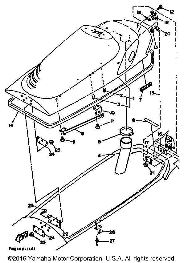
| 1 | ENG.HATCHPINK | 1 | |
| 2 | NUTSPEC'L SHAPE | 4 | |
| 4 | HOSE VENTILATOR 1 | 1 | |
| 5 | BAND HOSE 68 YMUS | 1 | |
| 6 | TRIM YMUS | 1 | |
| 7 | TRIM 1 | 2 | |
| 9 | SCREWFLATHD.W/WSH (5 per pack) | 2 | |
| 10 | FIX PLATE | 1 | |
| 12 | SCREWSPEC'L SHAPE | 2 | |
| 13 | NUTSELF-LOCKING | 2 | |
| 14 | PACKING YMUS | 1 | |
| 16 | PACKINGHATCH LOCK | 1 | |
| 17 | PACKINGHATCH LOCK | 1 | |
| 18 | HOOK HATCH LOCK | 1 | |
| 19 | PACKING HOOK | 1 | |
| 20 | PLATE HOOK | 1 | |
| 21 | NUT | 4 | |
| 22 | HINGE | 1 | |
| 23 | SCREW FLAT HEAD | 5 | |
| 24 | PLATE YMUS | 2 | |
| 26 | BRACKETHATCH SUPP | 1 | |
| 27 | RIVETBLIND | 2 |
