| № | Наименование | Примечание | Кол-во |
|---|---|---|---|
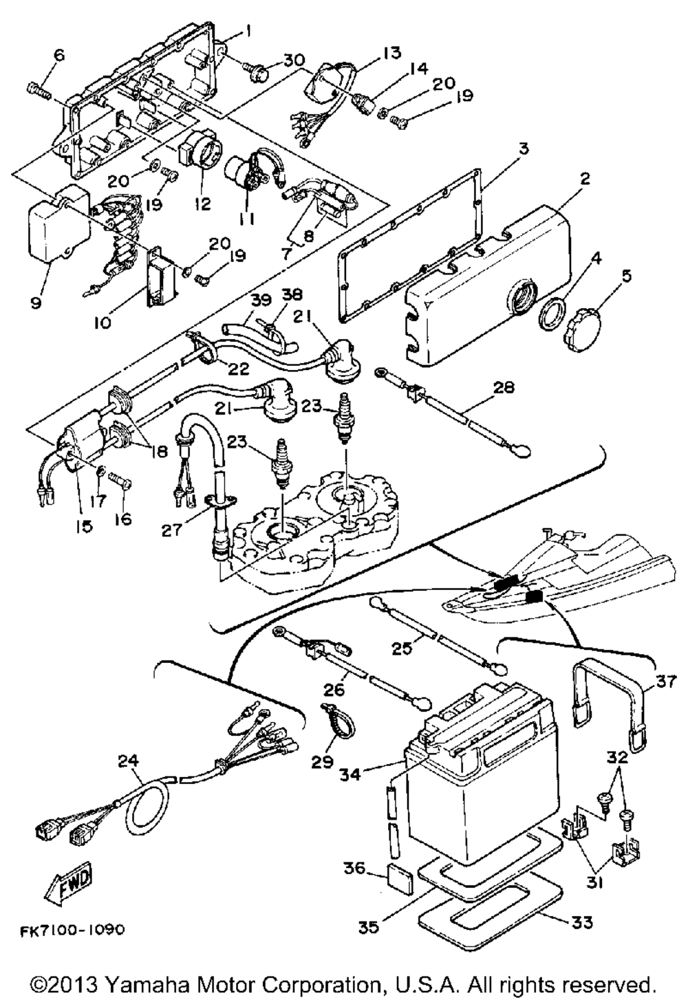
| 1 | HOUSING | 1 | |
| 2 | COVER CASE | 1 | |
| 3 | GASKETTERMINAL | 1 | |
| 4 | GASKET | 1 | |
| 5 | CAP | 1 | |
| 6 | SCREWTAPPING (5 per pack) | 14 | |
| 7 | FUSE HOLDER ASY | 1 | |
| 8 | FUSE (10 AMP 30 MM (10A) | 1 | |
| 9 | CDI UNIT ASY | 1 | |
| 10 | CLAMP | 1 | |
| 11 | STARTER RELAY (USA) | 1 | |
| 12 | HOLDERRELAY (USA) | 1 | |
| 13 | RECTIFIER/REG ASY | 1 | |
| 14 | CLAMP | 1 | |
| 15 | IGNITION COIL ASY | 1 | |
| 16 | SCREW PAN HEAD | 2 | |
| 17 | WASHER (5 per pack) | 2 | |
| 18 | GROMMET | 2 | |
| 19 | SCREW PAN | 6 | |
| 21 | PLUG CAP ASY UR | 2 | |
| 22 | CLAMP | 2 | |
| 23 | B8HS NGK 4PK SCREW T (NGK B8HS) (4 per pack) | 2 | |
| 24 | EXTENSIONWIRE | 1 | |
| 25 | WIRELEAD | 1 | |
| 26 | WIRELEAD | 1 | |
| 27 | THERMO SWITCH ASSY | 1 | |
| 28 | WIRELEAD | 1 | |
| 30 | BOLT W/WASHER | 2 | |
| 31 | HOOK A | 4 | |
| 32 | SCREWFLATHD.W/WSH (5 per pack) | 4 | |
| 33 | PLATE BATTERY | 1 | |
| 34 | YB16CLB YUASA BATTE (YB16CL-B) YUASA | 1 | |
| 35 | PAD BATTERY YMUS | 1 | |
| 36 | PAD BATTERY | 4 | |
| 37 | BAND BATTERY | 2 | |
| 39 | TUBE CORD 2 | 2 |
