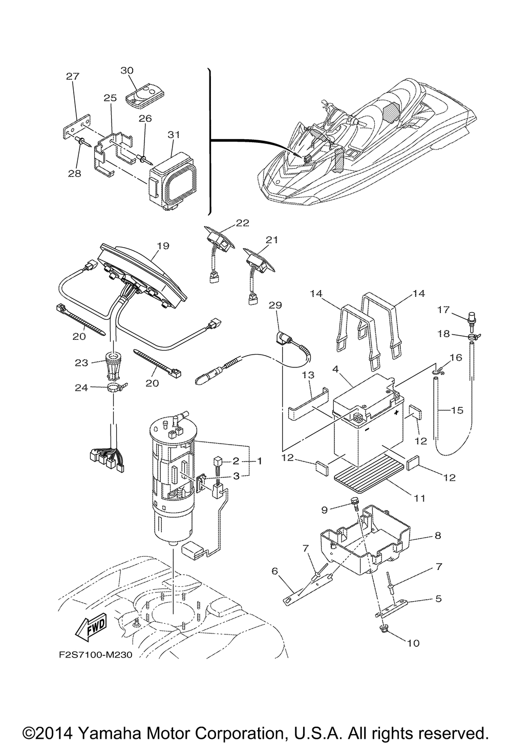
| № | Наименование | Примечание | Кол-во |
|---|---|---|---|
| 1 | FUEL PUMP COMP. | 1 | |
| 2 | FUEL SENDER ASSY | 1 | |
| 3 | DAMPER STOPPER | 1 | |
| 4 | YB16CLB YUASA BATTE (YB16CL-B) | 1 | |
| 5 | PLATE BASE 2 | 1 | |
| 6 | PLATE BASE 3 | 1 | |
| 7 | RIVETBLIND (5 per pack) | 4 | |
| 8 | CASE BATTERY | 1 | |
| 9 | NUT CROWN | 2 | |
| 10 | NUT LOCK | 2 | |
| 11 | PAD BATTERY | 1 | |
| 12 | PAD BATTERY 2 | 3 | |
| 13 | PAD BATTERY | 1 | |
| 14 | BANDBATTERY 2 | 2 | |
| 15 | HOSE AIR VENT | 1 | |
| 16 | CLIP | 1 | |
| 17 | NIPPLE | 1 | |
| 18 | CLAMP | 1 | |
| 19 | METER ASSY | 1 | |
| 20 | CLAMP (5 per pack) | 4 | |
| 21 | SWITCH ASSY. | 1 | |
| 22 | SWITCH ASSY. | 1 | |
| 23 | GROMMET | 1 | |
| 25 | BRACKET | 1 | |
| 27 | PLATE | 1 | |
| 29 | WIRE MINUS LEAD | 1 | |
| 30 | TRANSMITTER COMP | 2 | |
| 31 | RECIVER COMP | 1 |
