| № | Наименование | Примечание | Кол-во |
|---|---|---|---|
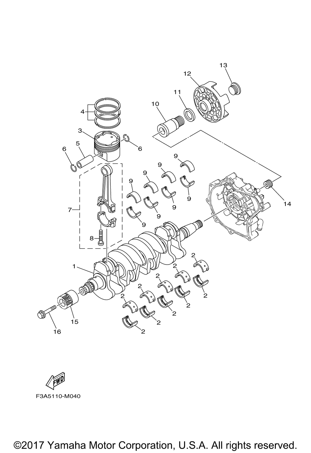
| 1 | CRANKSHAFT | 1 | |
| 2 | PLANE BEARING CRANK UR BROWN | 10 | |
| 2 | PLANE BEARING CRANK UR BLACK | 10 | |
| 2 | PLANE BEARING CRANK UR BLUE | 10 | |
| 2 | PLANE BEARING CRANK UR GREEN | 10 | |
| 2 | PLANE BEARING CRANK UR YELLOW | 10 | |
| 3 | PISTON (STD) (STD) | 4 | |
| 4 | PISTON RING SET (STD (STD) | 4 | |
| 5 | PIN PISTON | 4 | |
| 6 | CIRCLIPINNER (5 per pack) | 8 | |
| 7 | CONNECTING ROD ASSY | 4 | |
| 8 | BOLT CONNECTING ROD | 2 | |
| 9 | PLANE BEARING CONNE UR BLUE | 8 | |
| 9 | PLANE BEARING CONNE UR BLACK | 8 | |
| 9 | PLANE BEARING CONNE UR BROWN | 8 | |
| 9 | PLANE BEARING CONNE UR GREEN | 8 | |
| 10 | SHAFT TRANSFER | 1 | |
| 11 | WASHER | 1 | |
| 12 | FLANGE COUPLING | 1 | |
| 13 | HOLDER 2 | 1 | |
| 14 | NUT SPECIAL | 1 | |
| 15 | GEAR TRANSFER DRI | 1 | |
| 16 | BOLT | 1 |
