| № | Наименование | Примечание | Кол-во |
|---|---|---|---|
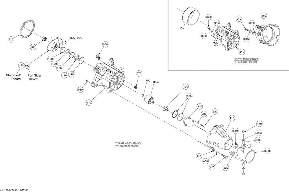
| 10 | IMPELLER HOUSING | 1 | |
| 10a | WEAR RING GTR Model | 1 | |
| 30 | ANODE ZINC | 4 | |
| 40 | HEX. SCREW M6 X 20 SCOTCH GRIP (10.000 per pack) | 4 | |
| 45 | Flat Washer M6, Stainless | 4 | |
| 50 | BUSHING (4.000 per pack) | 8 | |
| 60 | PLUG | 2 | |
| 70 | PLUG PLASTIC BLACK | 2 | |
| 100 | IMPELLER SHAFT | 1 | |
| 100a | ANGLED BEARING | 1 | |
| 120 | ELASTIC FLANGED NUT M20 (2.000 per pack) | 2 | |
| 140 | O-RING | 2 | |
| 150 | OIL SEAL | 2 | |
| 160 | SPACER | 2 | |
| 170 | OIL SEAL | 2 | |
| 180 | CIRCLIP | 2 | |
| 190 | STANLESS STEEL IMPELLER ASS Y Includes 190 to 190a | 1 | |
| 190a | O-RING | 1 | |
| 195 | STANLESS STEEL IMPELLER ASS Y Includes 195 to 195a | 1 | |
| 200 | IMPELLER BOOT | 2 | |
| 210 | NEOPRENE SEAL | 2 | |
| 300 | O-RING | 4 | |
| 310 | IMPELLER COVER | 2 | |
| 320 | SOCKET HEAD SCREW M6 X 25 SCOTCH GRIP (10.000 per pack) | 6 | |
| 410 | VENTURI BLACK | 2 | |
| 420 | SOCKET HEAD SCREW M8 X 100 SCOTCH GRIP | 8 | |
| 425 | FLAT WASHER (5.000 per pack) | 8 | |
| 430 | Lock Washer 8 mm, Stainless | 8 | |
| 435 | SLEEVE (5.000 per pack) | 4 | |
| 440 | SCREW-SPECIAL M8 (5.000 per pack) | 4 | |
| 500 | STEERING NOZZLE BLACK | 2 | |
| 510 | VENTURI BUSHING (5.000 per pack) | 2 | |
| 520 | PLASTIC BUSHING (5.000 per pack) | 2 |
