| № | Наименование | Примечание | Кол-во |
|---|---|---|---|
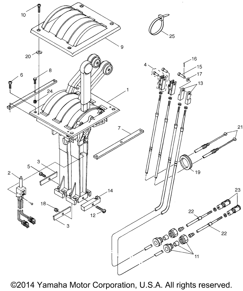
| 1 | REMOCON LEVER ASSY ( | 1 | |
| 2 | SWITCH NEUTRAL | 1 | |
| 3 | PLATE REM. CONTROL | 2 | |
| 4 | CONNECTORREM.CONTRO | 2 | |
| 5 | SCREW REM-CON.SHIFT | 1 | |
| 6 | SCREW 10-24 X 1 | 4 | |
| 7 | PLATEREM. CONTROL(9 | 2 | |
| 8 | SCREW 10-24X1 1/4 | 4 | |
| 9 | SHIFTER COVER(9087) | 1 | |
| 10 | SCREW M4 X 8MM | 4 | |
| 11 | CONNECTOR CABLE | 2 | |
| 12 | SCREWPAN HEAD | 1 | |
| 13 | EYELET | 2 | |
| 14 | CONNECTOR CABLE | 1 | |
| 15 | PIN STOPPER | 1 | |
| 17 | WASHER (5 per pack) | 2 | |
| 18 | NUT FLANGE (5 per pack) | 1 | |
| 19 | GROMMET | 1 | |
| 20 | WASHERBLACK NYLON | 4 | |
| 21 | CABLE THROTTLE | 2 | |
| 22 | CABLE SHIFT | 2 | |
| 23 | SHAFT JOINT BALL YMUS | 2 | |
| 24 | NUT 10-24 NYLOX | 4 |
