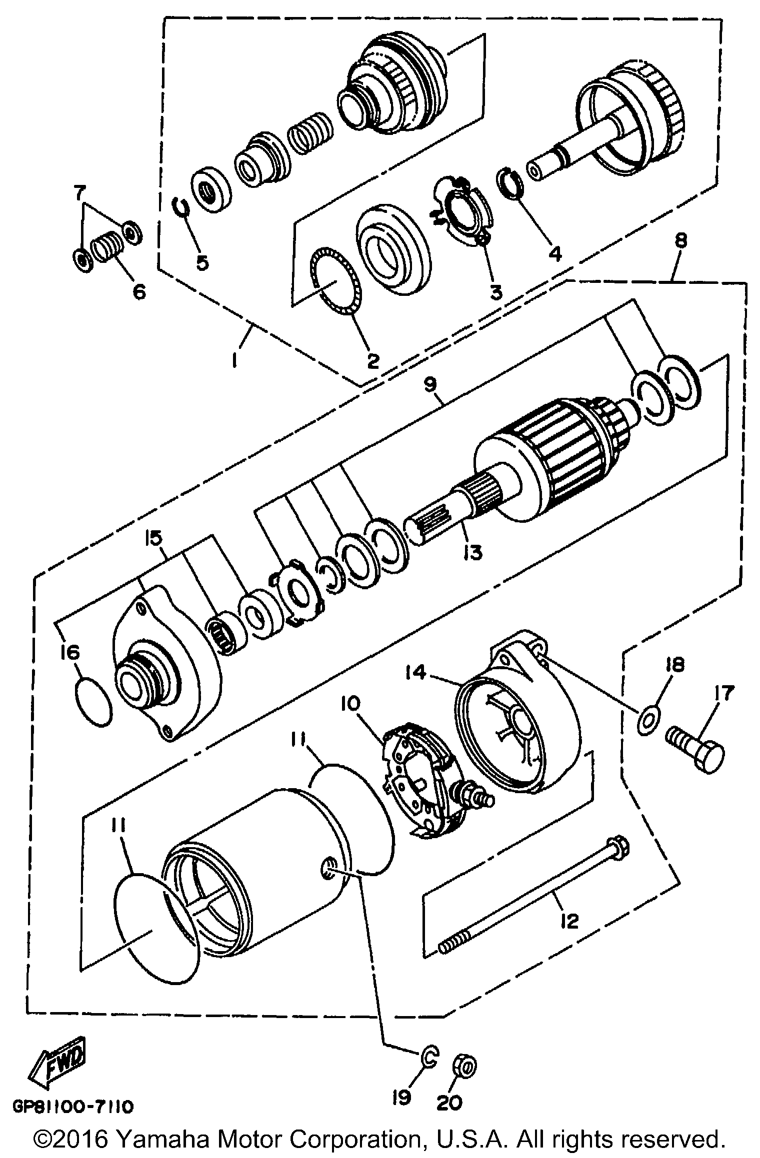
| № | Наименование | Примечание | Кол-во |
|---|---|---|---|
| 1 | Привод с механизмом свободного хода стартера | 1 | |
| 2 | WEIGHT SPRING | 1 | |
| 3 | WEIGHT HOLDER | 1 | |
| 4 | CIRCLIP (6M6) | 1 | |
| 5 | CIRCLIP (6M6) | 1 | |
| 6 | SPRINGCOMPRESSION | 1 | |
| 7 | WASHER (5 per pack) | 2 | |
| 8 | STARTING MOTOR ASY | 1 | |
| 9 | WASHER KIT | 1 | |
| 10 | BRUSH HOLDER ASSY | 1 | |
| 11 | GASKET | 2 | |
| 12 | BOLT | 2 | |
| 13 | ARMATURE ASY | 1 | |
| 14 | FRONT BRACKET ASY | 1 | |
| 15 | FRONT BRACKET ASY | 1 | |
| 16 | O-RING | 1 | |
| 17 | BOLT (682) | 2 | |
| 18 | WASHER (5 per pack) | 2 | |
| 19 | WASHER SPRING | 1 | |
| 20 | NUT | 1 |
