| № | Наименование | Примечание | Кол-во |
|---|---|---|---|
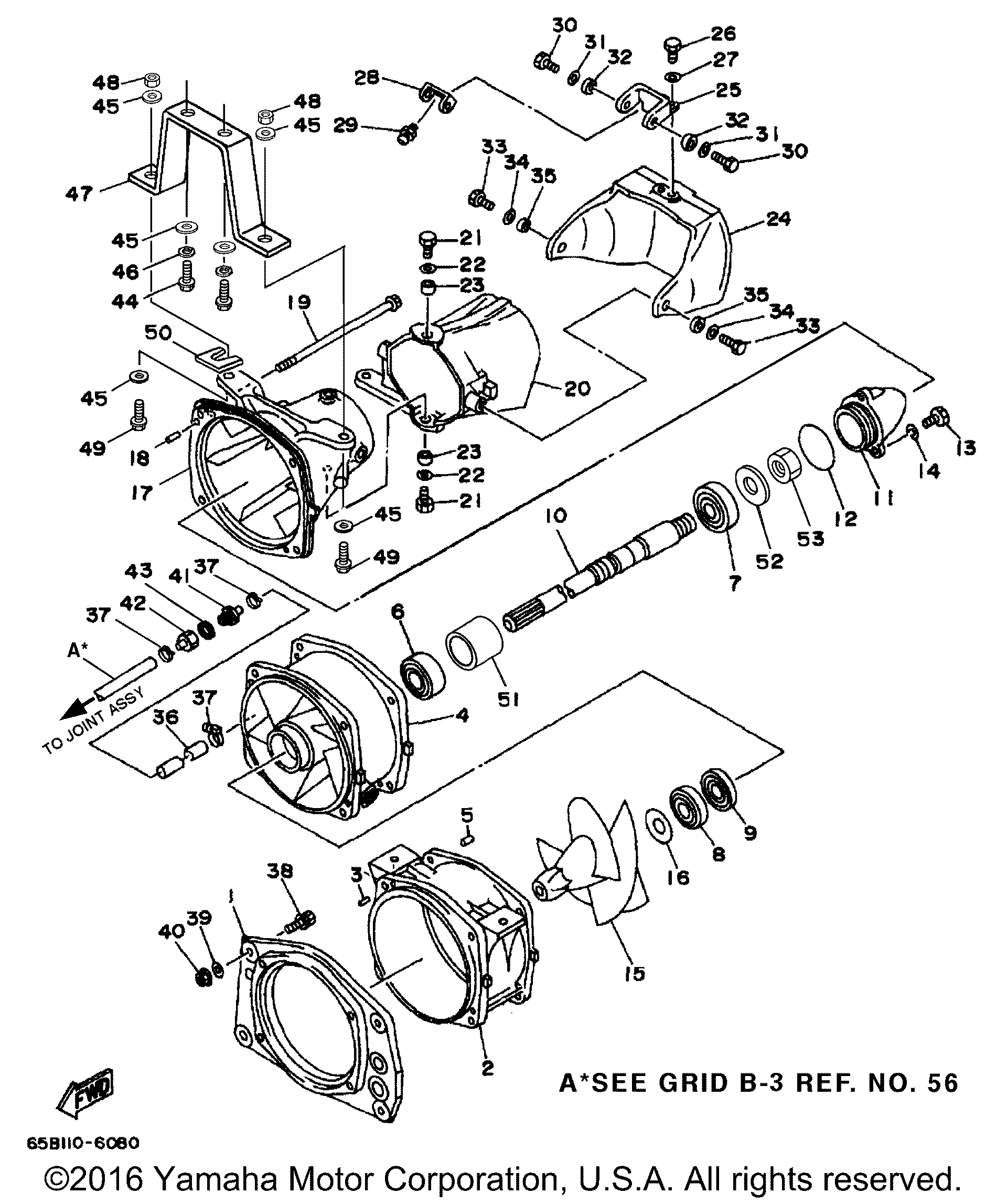
| 2 | HOUSING IMPELLER | 1 | |
| 3 | PINDOWEL (USA) (5 per pack) | 2 | |
| 6 | BEARING | 1 | |
| 7 | BEARING | 1 | |
| 9 | OIL SEALS-TYPE | 1 | |
| 10 | SHAFT DRIVE | 1 | |
| 11 | CAP | 1 | |
| 12 | O-RING | 1 | |
| 13 | BOLT W/WASHER | 3 | |
| 14 | WASHER (5 per pack) | 3 | |
| 15 | IMPELLER | 1 | |
| 16 | SPACER | 1 | |
| 17 | NOZZLE | 1 | |
| 19 | BOLTWASHER BASED UR FOR 64T | 4 | |
| 20 | NOZZLE DEFLECTOR | 1 | |
| 21 | BOLT | 2 | |
| 22 | WASHER (5 per pack) | 2 | |
| 23 | COLLAR | 2 | |
| 24 | GATE REVERSE/BOLT/C | 1 | |
| 25 | LEVER SHIFT ROD | 1 | |
| 26 | BOLT (GA1) (5 per pack) | 2 | |
| 28 | LEVERSHIFT ROD 2 | 1 | |
| 29 | BOLT JOINT | 1 | |
| 30 | BOLT W/WASHER (USA) | 2 | |
| 32 | COLLAR | 2 | |
| 36 | HOSE | 1 | |
| 37 | BAND HOSE (5 per pack) | 3 | |
| 38 | BOLT | 4 | |
| 39 | WASHER | 8 | |
| 40 | NUTU | 4 | |
| 41 | CONNECT THRU-HULL | 1 | |
| 42 | CONNECT THRU-HULL | 1 | |
| 43 | GASKET | 1 | |
| 46 | WASHERSPRING | 2 | |
| 47 | BRACKET (PUMP) | 1 | |
| 48 | NUT SELF-LOCKING | 4 | |
| 49 | BOLT | 2 | |
| 50 | SHIM (T=0.5) (T=0.5) UR | 2 | |
| 50 | SHIM (1.0) (T=1.0) UR | 2 | |
| 51 | SPACER 1 | 1 | |
| 52 | WASHER | 1 | |
| 53 | NUT | 1 |
