| № | Наименование | Примечание | Кол-во |
|---|---|---|---|
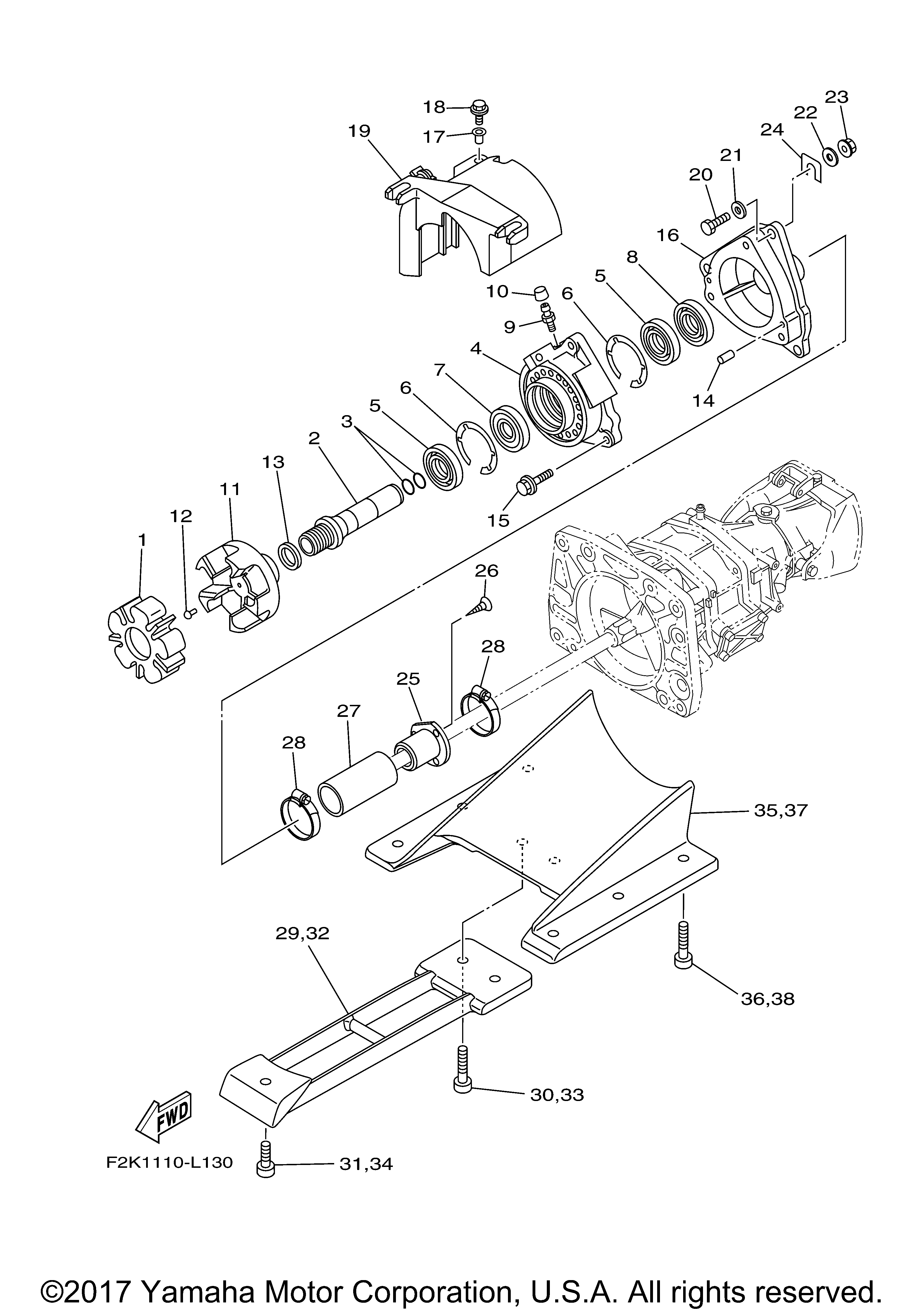
| 1 | RUBBER SHAFT COUPLIN | 1 | |
| 2 | SHAFT COUPLOR | 1 | |
| 3 | O-RING | 2 | |
| 4 | HOUSINGBEARING | 1 | |
| 5 | OIL SEALS-TYPE | 2 | |
| 6 | CIRCLIP | 2 | |
| 7 | BEARING | 1 | |
| 8 | OIL SEALS-TYPE | 1 | |
| 9 | NIPPLEGREASE | 1 | |
| 10 | CAPGREASE NIPPLE | 1 | |
| 11 | FLANGE COUPLING | 1 | |
| 12 | RIVET CLOSED END | 1 | |
| 13 | WASHER PLATE | 1 | |
| 14 | PINDOWEL (USA) (5 per pack) | 2 | |
| 15 | BOLT | 3 | |
| 16 | HOUSING BEARING | 1 | |
| 17 | COLLAR | 1 | |
| 18 | BOLTWITH WASHER | 1 | |
| 19 | COVER | 1 | |
| 20 | BOLT | 6 | |
| 21 | WASHER PLATE (10 per pack) | 6 | |
| 22 | WASHER 5/16X1 1/2 | 6 | |
| 23 | NUT SELF-LOCKING | 6 | |
| 24 | SHIM (0.5) (T=0.5) UN (5 per pack) | 1 | |
| 25 | JOINT PIPE | 2 | |
| 26 | SCREW TAPPING | 6 | |
| 27 | PIPE 1 | 2 | |
| 28 | HOSE CLAMP ASSY | 4 | |
| 29 | SCREENINTAKE FOR PORT | 1 | |
| 30 | BOLT HEX SOCKET | 2 | |
| 31 | BOLT HEX SOCKET | 1 | |
| 32 | SCREENINTAKE FOR STBD. | 1 | |
| 35 | DUCTINTAKE PORT | 1 | |
| 37 | DUCTINTAKE STBD. | 1 |
