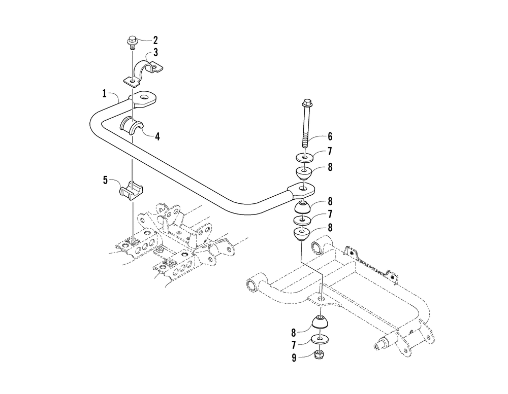
SWAY BAR ASSEMBLY

Корзина пуста