Оригинальные каталоги
Масла и жидкости
Масла моторные
Масла трансмиссионные
Жидкости гидравлические
Жидкости охлаждающие
Жидкости тормозные
Масла гидравлические
Масла для вилок и амортизаторов
Масла компрессорные
Жидкости для стекол
Масла для цепей бензопил
Масла индустриальные
Масла промывочные
Раствор мочевины AdBlue
Автоэлектроника
Видеорегистраторы
Пылесосы автомобильные
FM трансмиттеры
Зарядные устройства
Разветвители, удлинители прикуривателя
Кабели
Вентиляторы автомобильные
Штекер прикуривателя
Датчик парктроника
Камеры заднего вида
Мониторы парковочные
Парктроники
Термометры
Накидки на сиденье с подогревом
Автохолодильники
Антирадары
Диагностический сканер
Аксессуары
Набор автомобилиста
Ароматизаторы
Тросы буксировочные
Канистры
Ремни крепления груза
Стяжки-резинки крепления
Сетки для крепления груза
Скотч
Влажные салфетки
Держатели телефонов, планшетов
Карты памяти
Наушники
Аккумулятор холода
Термосумки и контейнеры
Фонарики
Батарейки
Оплетки на руль
Огнетушители
Салфетки, полотенца, варежки
Инструмент
Домкраты
Компрессоры
Манометры
Насосы
Светильники переносные
Шарнирно-губцевый инструмент
Ударный инструмент
Метчики. Плашки
Заклёпочники
Заклёпки
Измерительный инструмент
Свёрла
Отвёртки
Изолента
Надфили. Напильники
Ножи, ножовки
Щётки
Абразивная бумага
Специнструмент
Ключи
Хомуты
Дрель-шуруповерт
Автохимия
Присадки
Промывки
Очистители
Смазки спрей
Смазки пластичные
Герметики
Средство для рук
Клей
Лакокрасочные материалы
Автошампуни
Полироли
Антифриз для тормозной системы
Масло для пропитки фильтров
Антикоррозионные составы
Прочее
Электрооборудование
Зарядные устройства
Инверторы
Конвертеры
Звуковые сигналы
Провода прикуривания
Предохранители
Противотуманные фары
Дневные ходовые огни
Электрика фаркопа
Шины и диски
Автошины
Грузовые шины
Мотошины
Камеры
Мотокамеры
Лента обода шины
Колпаки
Диски
Одежда и экипировка
Жилеты
Запчасти
Аккумуляторы
Лампы
Щетки стеклоочистителя
Гофры глушителя
Велотовары
Велосипеды
Самокаты
Велокамеры
Искать по VIN или номеру детали
Поиск по штрих-коду
Искать по VIN-номеру
Войти
Авторизация
Логин
Пароль
Напомнить пароль
Запомнить
Войти
Зарегистрироваться
Авторизоваться другим способом
Востановить пароль
Введите ваш email:
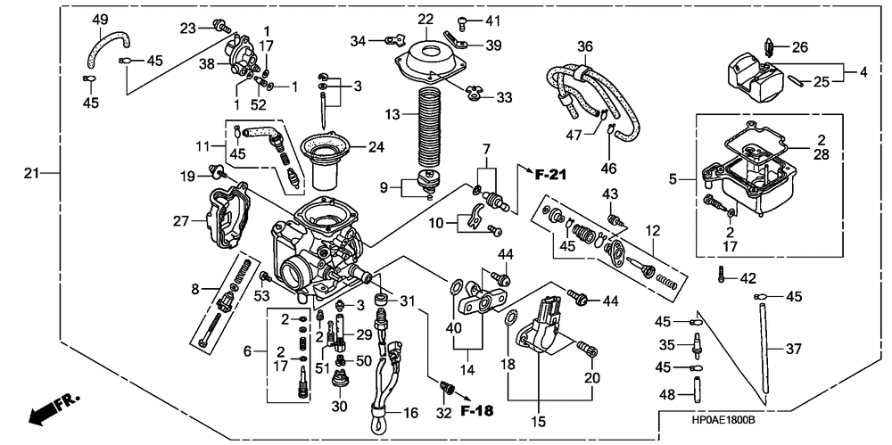
CARBURETOR
Корзина пуста
Honda
TRX500FE
TRX500FE
CARBURETOR
№
Наименование
Примечание
Кол-во
001
GASKET SET
1
001
GASKET SET C
1
002
GASKET SET
1
003
NEEDLE SET JET
1
004
FLOAT SET
1
005
CHAMBER SET FLOAT
1
006
SCREW SET
1
007
JOINT SET
1
008
SCREW SET
1
009
PLATE SET VALVE
1
010
PLATE SET STAY
1
011
VALVE STARTER
1
012
PUMP SET
1
013
SPRING
1
014
SPACER SET
1
015
SENSOR SET THROTTLE
1
016
HEATER ASSY.
1
017
O-RING (1.3X4.3)
3
018
O-RING
1
019
SCREW-WASHER
1
020
BOLT, BREAK HEAD
2
021
CARBURETOR (VE6DA B)
1
022
TOP
1
023
SCREW
1
024
PISTON VACUUM
1
025
PIN ARM
1
026
VALVE, FLOAT
1
027
COVER BODY
1
028
GSKT, FLOAT CHAMBER
1
029
HOLDER NEEDLE JET
1
030
HOLDER JET
1
031
COLLAR SETTING
1
032
SCREEN
1
033
BINDER
1
034
BINDER
1
035
VALVE, ONE-WAY
1
036
TUBE AIR VENT
1
037
TUBE
1
038
VALVE ASSY. AIR CUT
1
039
CLIP, PLATE
1
040
O-RING (14.8X1.9)
1
041
SCREW, PAN (4X8)
4
041
SCREW PAN (4X8)
4
042
SCREW, PAN (4X14)
4
042
SCREW PAN (4X14)
4
043
SCREW-WASHER (4X12)
2
043
SCREW-WASHER (4X12)
2
044
SCREW-WASHER (5X14)
2
044
SCREW-WASHER (5X14)
2
045
CLIP, TUBE (B7)
7
046
CLIP, TUBE (B1 8)
1
047
CLIP, TUBE (B6.5)
1
049
BULK HOSE, VACUUM (3.5X1000) (3.5X290)
0
050
JET MAIN (tahos_158)
0
050
JET MAIN (tahos_162)
1
051
JET SLOW (tahos_45)
1
052
JET (tahos_170)
1
053
JET (tahos_60)
1