Оригинальные каталоги
Масла и жидкости
Масла моторные
Масла трансмиссионные
Жидкости гидравлические
Жидкости охлаждающие
Жидкости тормозные
Масла гидравлические
Масла для вилок и амортизаторов
Масла компрессорные
Жидкости для стекол
Масла для цепей бензопил
Масла индустриальные
Масла промывочные
Раствор мочевины AdBlue
Автоэлектроника
Видеорегистраторы
Пылесосы автомобильные
FM трансмиттеры
Зарядные устройства
Разветвители, удлинители прикуривателя
Кабели
Вентиляторы автомобильные
Штекер прикуривателя
Датчик парктроника
Камеры заднего вида
Мониторы парковочные
Парктроники
Термометры
Накидки на сиденье с подогревом
Автохолодильники
Антирадары
Диагностический сканер
Аксессуары
Набор автомобилиста
Ароматизаторы
Тросы буксировочные
Канистры
Ремни крепления груза
Стяжки-резинки крепления
Сетки для крепления груза
Скотч
Влажные салфетки
Держатели телефонов, планшетов
Карты памяти
Наушники
Аккумулятор холода
Термосумки и контейнеры
Фонарики
Батарейки
Оплетки на руль
Огнетушители
Салфетки, полотенца, варежки
Инструмент
Домкраты
Компрессоры
Манометры
Насосы
Светильники переносные
Шарнирно-губцевый инструмент
Ударный инструмент
Метчики. Плашки
Заклёпочники
Заклёпки
Измерительный инструмент
Свёрла
Отвёртки
Изолента
Надфили. Напильники
Ножи, ножовки
Щётки
Абразивная бумага
Специнструмент
Ключи
Хомуты
Дрель-шуруповерт
Автохимия
Присадки
Промывки
Очистители
Смазки спрей
Смазки пластичные
Герметики
Средство для рук
Клей
Лакокрасочные материалы
Автошампуни
Полироли
Антифриз для тормозной системы
Масло для пропитки фильтров
Антикоррозионные составы
Прочее
Электрооборудование
Зарядные устройства
Инверторы
Конвертеры
Звуковые сигналы
Провода прикуривания
Предохранители
Противотуманные фары
Дневные ходовые огни
Электрика фаркопа
Шины и диски
Автошины
Грузовые шины
Мотошины
Камеры
Мотокамеры
Лента обода шины
Колпаки
Диски
Одежда и экипировка
Жилеты
Запчасти
Аккумуляторы
Лампы
Щетки стеклоочистителя
Гофры глушителя
Велотовары
Велосипеды
Самокаты
Велокамеры
Искать по VIN или номеру детали
Поиск по штрих-коду
Искать по VIN-номеру
Войти
Авторизация
Логин
Пароль
Напомнить пароль
Запомнить
Войти
Зарегистрироваться
Авторизоваться другим способом
Востановить пароль
Введите ваш email:
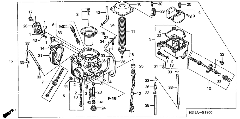
CARBURETOR
Корзина пуста
Honda
TRX350TM
TRX350TM
CARBURETOR
№
Наименование
Примечание
Кол-во
001
GASKET SET
1
002
GASKET SET
1
003
NEEDLE SET JET
1
004
FLOAT SET
1
005
CHAMBER SET FLOAT
1
006
SCREW SET
1
007
SCREW SET
1
008
PLATE SET VALVE
1
009
VALVE SET STARTER
1
010
PUMP SET
1
011
SPRING
1
012
HEATER ASSY.
1
013
O-RING (1.3X4.3)
3
014
SCREW-WASHER
1
015
CARBURETOR (VE94A C)
1
016
TOP
1
017
SCREW
1
018
PISTON VACUUM
1
019
PIN ARM
1
020
VALVE FLOAT
1
021
COVER BODY
0
022
GSKT FLOAT CHAMBER
1
023
HOLDER NEEDLE JET
1
024
HOLDER JET
1
025
COLLAR SETTING
1
026
VALVE, ONE-WAY
1
027
JOINT
1
028
VALVE ASSY. AIR CUT
1
029
CLIP, PLATE
1
030
SCREW, PAN (4X8)
4
030
SCREW PAN (4X8)
4
031
SCREW, PAN (4X14)
4
031
SCREW PAN (4X14)
4
032
SCREW-WASHER (4X12)
2
032
SCREW-WASHER (4X12)
2
033
CLIP, TUBE (B7)
8
034
CLIP, TUBE (B1 8)
3
035
CLIP, TUBE (B6.5)
1
036
BULK HOSE (3.5X1000)
0
037
BULK HOSE, VACUUM (3.5X1000) (3.5X290)
0
040
BULK HOSE, VACUUM (4.5X1000) (4.5X17)
0
041
JET, MAIN (tahos_125)
0
041
JET (tahos_130)
1
042
JET SLOW (tahos_42)
1
043
JET (tahos_140)
1
044
JET (tahos_75)
1