Оригинальные каталоги
Масла и жидкости
Масла моторные
Масла трансмиссионные
Жидкости гидравлические
Жидкости охлаждающие
Жидкости тормозные
Масла гидравлические
Масла для вилок и амортизаторов
Масла компрессорные
Жидкости для стекол
Масла для цепей бензопил
Масла индустриальные
Масла промывочные
Раствор мочевины AdBlue
Автоэлектроника
Видеорегистраторы
Пылесосы автомобильные
FM трансмиттеры
Зарядные устройства
Разветвители, удлинители прикуривателя
Кабели
Вентиляторы автомобильные
Штекер прикуривателя
Датчик парктроника
Камеры заднего вида
Мониторы парковочные
Парктроники
Термометры
Накидки на сиденье с подогревом
Автохолодильники
Антирадары
Диагностический сканер
Аксессуары
Набор автомобилиста
Ароматизаторы
Тросы буксировочные
Канистры
Ремни крепления груза
Стяжки-резинки крепления
Сетки для крепления груза
Скотч
Влажные салфетки
Держатели телефонов, планшетов
Карты памяти
Наушники
Аккумулятор холода
Термосумки и контейнеры
Фонарики
Батарейки
Оплетки на руль
Огнетушители
Салфетки, полотенца, варежки
Инструмент
Домкраты
Компрессоры
Манометры
Насосы
Светильники переносные
Шарнирно-губцевый инструмент
Ударный инструмент
Метчики. Плашки
Заклёпочники
Заклёпки
Измерительный инструмент
Свёрла
Отвёртки
Изолента
Надфили. Напильники
Ножи, ножовки
Щётки
Абразивная бумага
Специнструмент
Ключи
Хомуты
Дрель-шуруповерт
Автохимия
Присадки
Промывки
Очистители
Смазки спрей
Смазки пластичные
Герметики
Средство для рук
Клей
Лакокрасочные материалы
Автошампуни
Полироли
Антифриз для тормозной системы
Масло для пропитки фильтров
Антикоррозионные составы
Прочее
Электрооборудование
Зарядные устройства
Инверторы
Конвертеры
Звуковые сигналы
Провода прикуривания
Предохранители
Противотуманные фары
Дневные ходовые огни
Электрика фаркопа
Шины и диски
Автошины
Грузовые шины
Мотошины
Камеры
Мотокамеры
Лента обода шины
Колпаки
Диски
Одежда и экипировка
Жилеты
Запчасти
Аккумуляторы
Лампы
Щетки стеклоочистителя
Гофры глушителя
Велотовары
Велосипеды
Самокаты
Велокамеры
Искать по VIN или номеру детали
Поиск по штрих-коду
Искать по VIN-номеру
Войти
Авторизация
Логин
Пароль
Напомнить пароль
Запомнить
Войти
Зарегистрироваться
Авторизоваться другим способом
Востановить пароль
Введите ваш email:
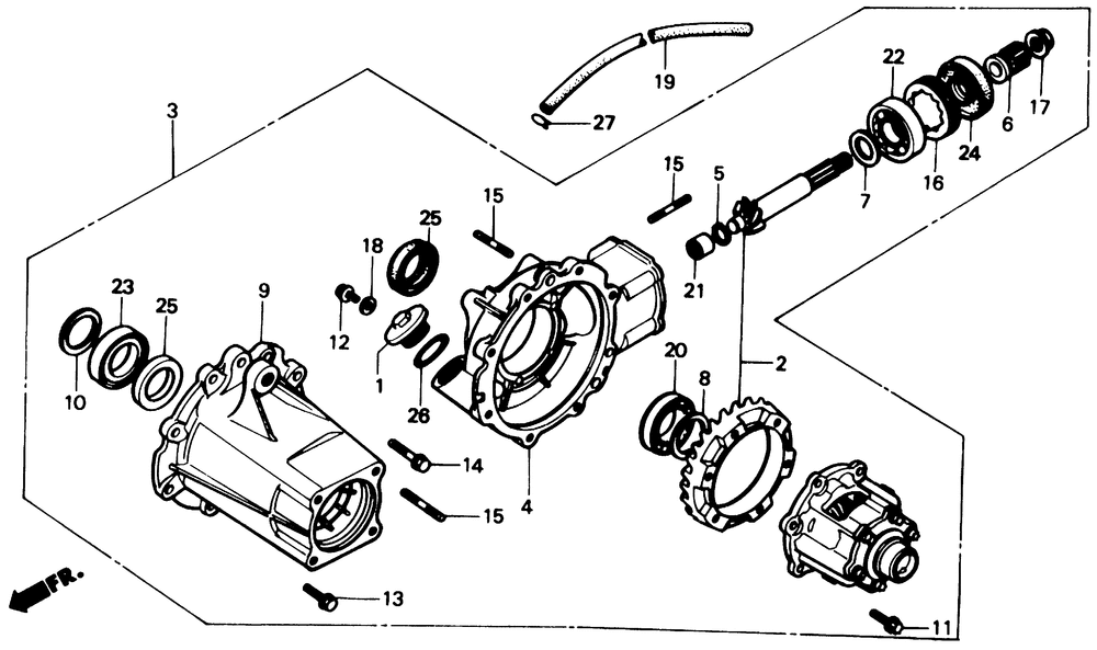
FRONT FINAL GEAR
Корзина пуста
Honda
TRX350D
TRX350D
FRONT FINAL GEAR
№
Наименование
Примечание
Кол-во
001
CAP VALVE ADJ.
1
001
CAP, VALVE ADJ.
1
002
GEAR SET FINAL
0
003
GEAR FR. FINAL
0
004
CASE FR. FINAL GEAR
0
005
RING, STOPPER
1
006
JOINT PINION
1
007
SHIM C (1.94)
1
007
SHIM D (2.00)
1
007
SHIM E (2.06)
1
007
SHIM F (2.12)
1
007
SHIM G (2.18)
1
008
SHIM M L. (1.30)
0
008
SHIM A L. (0.70)
0
008
SHIM B L. (0.75)
0
008
SHIM C L. (0.80)
0
008
SHIM D L. (0.85)
0
008
SHIM E L. (0.90)
0
008
SHIM F L. (0.95)
0
008
SHIM G L. (1.00)
0
008
SHIM H L. (1.05)
0
008
SHIM I L. (1.10)
0
008
SHIM J L. (1.15)
0
008
SHIM K L. (1.20)
0
008
SHIM L L. (1.25)
0
009
COVER FR.
0
010
SHIM I R. (1.30)
0
010
SHIM J R. (1.35)
0
010
SHIM A R. (0.90)
0
010
SHIM B R. (0.95)
0
010
SHIM C R. (1.00)
0
010
SHIM D R. (1.05)
0
010
SHIM E R. (1.10)
0
010
SHIM F R. (1.15)
0
010
SHIM G R. (1.20)
0
010
SHIM H R. (1.25)
0
011
BOLT UBS (8X17)
6
012
BOLT, SEALING (8MM)
1
013
BOLT, FLANGE (8X27)
6
014
BOLT, FLANGE (10X35)
2
015
BOLT STUD (10X25)
12
016
NUT LOCK (60MM)
1
017
NUT HEX. (16MM)
1
018
GASKET (8MM)
1
019
TUBE FR. FINAL
0
020
BEARING (28X52X12)
0
021
BEARING (13X25.5X13)
0
021
BEARING (13X25.5X13)
0
022
BEARING (22X56X16)
0
023
BEARING (32X58X13)
0
024
OIL SEAL (38X64X11)
1
024
OIL SEAL (38X64X11)
1
024
OIL SEAL (38X64X11)
1
025
OIL SEAL (22X40X9)
2
025
OIL SEAL (22X40X9)
2
026
O-RING (30.8MM)
1
027
CLIP, TUBE (B7)
1