Оригинальные каталоги
Масла и жидкости
Масла моторные
Масла трансмиссионные
Жидкости гидравлические
Жидкости охлаждающие
Жидкости тормозные
Масла гидравлические
Масла для вилок и амортизаторов
Масла компрессорные
Жидкости для стекол
Масла для цепей бензопил
Масла индустриальные
Масла промывочные
Раствор мочевины AdBlue
Автоэлектроника
Видеорегистраторы
Пылесосы автомобильные
FM трансмиттеры
Зарядные устройства
Разветвители, удлинители прикуривателя
Кабели
Вентиляторы автомобильные
Штекер прикуривателя
Датчик парктроника
Камеры заднего вида
Мониторы парковочные
Парктроники
Термометры
Накидки на сиденье с подогревом
Автохолодильники
Антирадары
Диагностический сканер
Аксессуары
Набор автомобилиста
Ароматизаторы
Тросы буксировочные
Канистры
Ремни крепления груза
Стяжки-резинки крепления
Сетки для крепления груза
Скотч
Влажные салфетки
Держатели телефонов, планшетов
Карты памяти
Наушники
Аккумулятор холода
Термосумки и контейнеры
Фонарики
Батарейки
Оплетки на руль
Огнетушители
Салфетки, полотенца, варежки
Инструмент
Домкраты
Компрессоры
Манометры
Насосы
Светильники переносные
Шарнирно-губцевый инструмент
Ударный инструмент
Метчики. Плашки
Заклёпочники
Заклёпки
Измерительный инструмент
Свёрла
Отвёртки
Изолента
Надфили. Напильники
Ножи, ножовки
Щётки
Абразивная бумага
Специнструмент
Ключи
Хомуты
Дрель-шуруповерт
Автохимия
Присадки
Промывки
Очистители
Смазки спрей
Смазки пластичные
Герметики
Средство для рук
Клей
Лакокрасочные материалы
Автошампуни
Полироли
Антифриз для тормозной системы
Масло для пропитки фильтров
Антикоррозионные составы
Прочее
Электрооборудование
Зарядные устройства
Инверторы
Конвертеры
Звуковые сигналы
Провода прикуривания
Предохранители
Противотуманные фары
Дневные ходовые огни
Электрика фаркопа
Шины и диски
Автошины
Грузовые шины
Мотошины
Камеры
Мотокамеры
Лента обода шины
Колпаки
Диски
Одежда и экипировка
Жилеты
Запчасти
Аккумуляторы
Лампы
Щетки стеклоочистителя
Гофры глушителя
Велотовары
Велосипеды
Самокаты
Велокамеры
Искать по VIN или номеру детали
Поиск по штрих-коду
Искать по VIN-номеру
Войти
Авторизация
Логин
Пароль
Напомнить пароль
Запомнить
Войти
Зарегистрироваться
Авторизоваться другим способом
Востановить пароль
Введите ваш email:
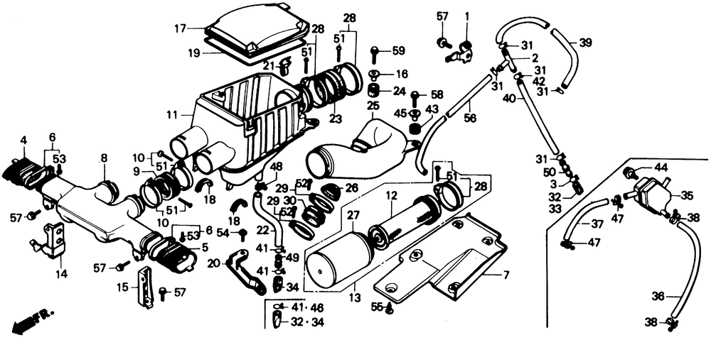
AIR CLEANER
Корзина пуста
Honda
TRX350D
TRX350D
AIR CLEANER
№
Наименование
Примечание
Кол-во
001
STAY CONNECTOR HOSE
0
002
JOINT
1
003
CLIP, BREATHER TUBE
1
004
RUB R. DUCT (INNER)
0
005
RUB L. DUCT (INNER)
1
006
BAND AIR DUCT
2
007
PROTR A/CLNR HSG
1
008
DUCT AIR CLEANER
0
009
GASKET
2
010
BAND DUCT
0
011
HOUSING AIR CLEANER
1
012
BODY AIR CLEANER
0
014
STAY R. AIR DUCT
1
015
STAY L. AIR DUCT
0
016
COLLAR
2
017
LID A/CLNR HSG
0
018
RUBBER
0
019
SEAL
0
020
STAY A/CLNR ELEM
0
021
SPRING SET
0
023
GASKET
1
024
RUBBER RR.
0
025
CHAMBER AIR CLEANER
0
026
TRAP
0
027
FILTER AIR
1
028
BAND BOOT JOINT
3
029
BAND (62)
2
030
TUBE
0
031
CLIP, BREATHER TUBE
5
033
TUBE, DRAIN
1
034
TUBE, DRAIN
1
039
TUBE BREATHER
1
040
TUBE BREATHER
0
041
CLIP, SUB-TANK HOSE
1
042
CLIP OIL TUBE
1
043
GROMMET, FR. FENDER SETTING
1
045
COLLAR BATTERY BOX
1
050
JOINT, TUBE
1
051
SCREW, PAN (4X20)
7
052
SCREW, PAN (4X20)
2
053
SCREW, PAN (4X25)
2
054
SCREW-WASHER (6X12)
1
055
SCREW, TAPPING (5X16)
5
056
BULK HOSE, VACUUM (12X1000) (12X60)
0
057
BOLT, FLANGE (6X12)
5
058
BOLT FLANGE (6X22)
1
059
BOLT FLANGE (6X28)
2