| № | Наименование | Примечание | Кол-во |
|---|---|---|---|
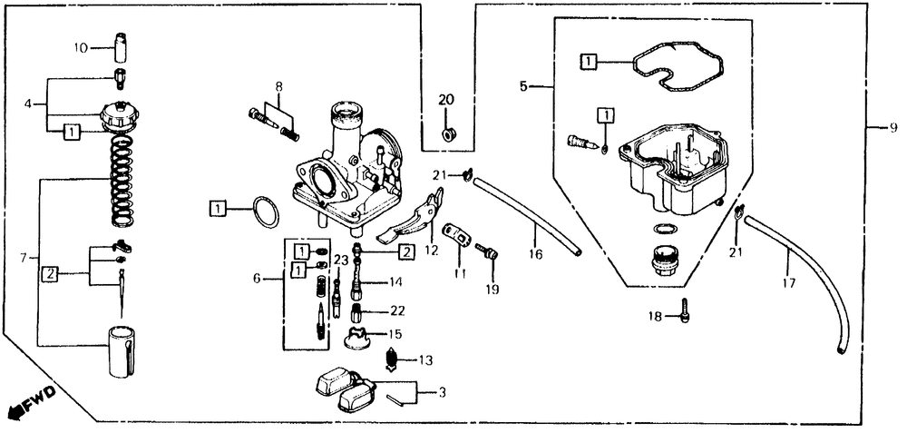
| 001 | GASKET SET | 1 | |
| 001 | GASKET SET | 1 | |
| 002 | NEEDLE SET JET | 0 | |
| 003 | FLOAT SET | 1 | |
| 004 | TOP SET | 1 | |
| 005 | CHAMBER SET FLOAT | 0 | |
| 006 | SCREW SET A | 1 | |
| 007 | VALVE SET THROTTLE | 1 | |
| 008 | SCREW SET B | 1 | |
| 008 | SCREW SET B | 1 | |
| 009 | CARBURETOR ASSY. | 1 | |
| 010 | CAP CABLE SEALING | 1 | |
| 011 | PLATE, STAY | 1 | |
| 012 | LEVER, CHOKE | 1 | |
| 013 | VALVE, FLOAT | 1 | |
| 014 | HOLDER NEEDLE JET | 1 | |
| 015 | HOLDER, JET | 1 | |
| 016 | TUBE | 1 | |
| 016 | TUBE | 1 | |
| 017 | TUBE, OVERFLOW | 1 | |
| 017 | TUBE OVERFLOW | 1 | |
| 018 | SCREW-WASHER (4X16) | 3 | |
| 019 | SCREW-WASHER (5X12) | 1 | |
| 020 | Гайка | 2 | |
| 021 | CLIP, TUBE (B6.5) | 2 | |
| 022 | JET MAIN (tahos_110) | 1 | |
| 023 | JET SLOW (tahos_40) | 1 | |
| 023 | JET SLOW (tahos_40) | 1 | |
| 023 | JET SLOW (tahos_40) | 1 |
