Оригинальные каталоги
Масла и жидкости
Масла моторные
Масла трансмиссионные
Жидкости гидравлические
Жидкости охлаждающие
Жидкости тормозные
Масла гидравлические
Масла для вилок и амортизаторов
Масла компрессорные
Жидкости для стекол
Масла для цепей бензопил
Масла индустриальные
Масла промывочные
Раствор мочевины AdBlue
Автоэлектроника
Видеорегистраторы
Пылесосы автомобильные
FM трансмиттеры
Зарядные устройства
Разветвители, удлинители прикуривателя
Кабели
Вентиляторы автомобильные
Штекер прикуривателя
Датчик парктроника
Камеры заднего вида
Мониторы парковочные
Парктроники
Термометры
Накидки на сиденье с подогревом
Автохолодильники
Антирадары
Диагностический сканер
Аксессуары
Набор автомобилиста
Ароматизаторы
Тросы буксировочные
Канистры
Ремни крепления груза
Стяжки-резинки крепления
Сетки для крепления груза
Скотч
Влажные салфетки
Держатели телефонов, планшетов
Карты памяти
Наушники
Аккумулятор холода
Термосумки и контейнеры
Фонарики
Батарейки
Оплетки на руль
Огнетушители
Салфетки, полотенца, варежки
Инструмент
Домкраты
Компрессоры
Манометры
Насосы
Светильники переносные
Шарнирно-губцевый инструмент
Ударный инструмент
Метчики. Плашки
Заклёпочники
Заклёпки
Измерительный инструмент
Свёрла
Отвёртки
Изолента
Надфили. Напильники
Ножи, ножовки
Щётки
Абразивная бумага
Специнструмент
Ключи
Хомуты
Дрель-шуруповерт
Автохимия
Присадки
Промывки
Очистители
Смазки спрей
Смазки пластичные
Герметики
Средство для рук
Клей
Лакокрасочные материалы
Автошампуни
Полироли
Антифриз для тормозной системы
Масло для пропитки фильтров
Антикоррозионные составы
Прочее
Электрооборудование
Зарядные устройства
Инверторы
Конвертеры
Звуковые сигналы
Провода прикуривания
Предохранители
Противотуманные фары
Дневные ходовые огни
Электрика фаркопа
Шины и диски
Автошины
Грузовые шины
Мотошины
Камеры
Мотокамеры
Лента обода шины
Колпаки
Диски
Одежда и экипировка
Жилеты
Запчасти
Аккумуляторы
Лампы
Щетки стеклоочистителя
Гофры глушителя
Велотовары
Велосипеды
Самокаты
Велокамеры
Искать по VIN или номеру детали
Поиск по штрих-коду
Искать по VIN-номеру
Войти
Авторизация
Логин
Пароль
Напомнить пароль
Запомнить
Войти
Зарегистрироваться
Авторизоваться другим способом
Востановить пароль
Введите ваш email:
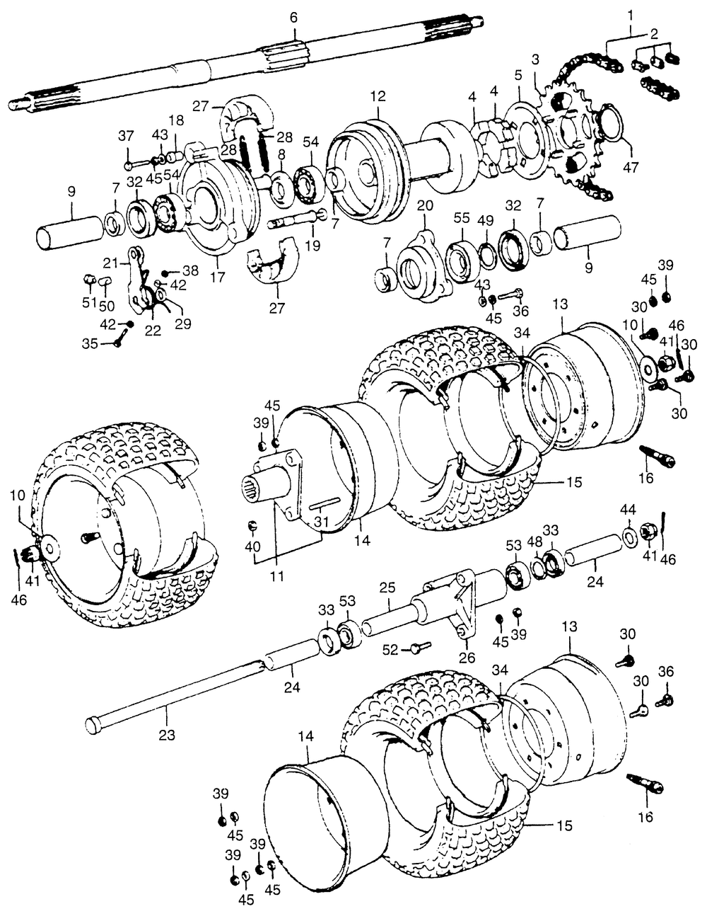
FRONT WHEEL@REAR WHEEL
Корзина пуста
Honda
ATC70K1
ATC70K1
FRONT WHEEL@REAR WHEEL
№
Наименование
Примечание
Кол-во
001
CHAIN DRIVE
1
001
CHAIN DRIVE
1
001
CHAIN DRIVE
1
001
CHAIN, DRIVE
1
002
MASTER LINK
1
002
MASTER LINK
1
002
MASTER LINK
1
002
MASTER LINK
1
003
SPROCKET (35T)
1
004
DAMPER RR. WHEEL
4
005
COVER, RR.
1
006
AXLE RR. WHEEL
0
007
COLLAR PANEL
0
008
SPACER R. PANEL
0
009
PIPE RR. AXLE
0
010
WASHER (15MM)
2
011
BOSS RR. WHEEL
0
012
HUB RR. WHEEL
0
013
RIM WHEEL *NH10M* (DARK SILVER METALLIC)
0
014
RIM WHEEL *NH10M* (DARK SILVER METALLIC)
0
015
TIRE (16X8.0-7)
3
015
TIRE (16X8.0-7)
3
015
TIRE (16X8.0-7)
3
015
TIRE (16X8.0-7)
3
015
TIRE (16X8.0-7)
3
016
VALVE, RIM
3
016
VALVE, RIM
3
016
VALVE RIM
3
016
VALVE, RIM
3
016
VALVE RIM
3
016
VALVE RIM
3
016
VALVE, RIM
3
017
PANEL R.
0
018
CUSHION PANEL
0
019
CAM RR. BRAKE
0
020
PANEL L.
0
021
ARM RR. BRAKE
0
022
SPRING RR.
0
023
AXLE FR. WHEEL
0
024
COLLAR FR.
0
025
COLLAR FR. CENTER
0
026
HUB FR. WHEEL
0
027
SHOE BRAKE (SEE KIT P/N--END OF BLOCK)
0
028
SPRING, BRAKE SHOE
2
029
DUST SEAL, BRAKE CAM
1
030
BOLT WHEEL
9
031
BOLT STUD (8X38)
6
032
OIL SEAL (35X52X7)
3
032
OIL SEAL (35X52X7)
3
033
OIL SEAL (21X35X8)
2
034
O-RING (126.5X3.5)
3
035
BOLT HEX. (6X35)
1
035
BOLT, HEX. (6X35)
1
036
BOLT, HEX. (8X25)
3
037
BOLT, HEX. (8X35)
3
037
BOLT HEX. (8X35)
3
037
BOLT, HEX. (8X36)
3
037
BOLT, HEX. (8X36)
3
037
BOLT HEX. (8X35)
3
038
NUT, HEX. (6MM)
1
038
NUT, HEX. (6MM)
1
038
NUT, HEX. (6MM)
1
038
NUT, HEX. (6MM)
1
038
NUT, HEX. (6MM)
1
038
NUT, HEX. (6MM)
1
039
NUT, HEX. (8MM)
18
040
NUT, HEX. (8MM)
6
041
NUT CASTLE (14MM)
3
042
WASHER, PLAIN (6MM)
2
042
WASHER, PLAIN (6MM)
2
043
WASHER, PLAIN (8MM)
6
044
WASHER, PLAIN (14MM)
1
045
WASHER, SPRING (8MM)
24
046
PIN SPLIT (3.0X45)
3
046
PIN, SPLIT (3.0X25)
3
046
PIN, SPLIT (3.0)
3
047
CIRCLIP (50MM)
1
048
CIRCLIP (35MM)
1
049
CIRCLIP (52MM)
1
050
JOINT A, BRAKE ARM
1
051
NUT A, BRAKE ROD ADJUSTING
1
052
BOLT HEX. (8X25)
3
053
BEARING (6202)
2
054
BEARING (6205)
2
055
BEARING (6205U)
0