| № | Наименование | Примечание | Кол-во |
|---|---|---|---|
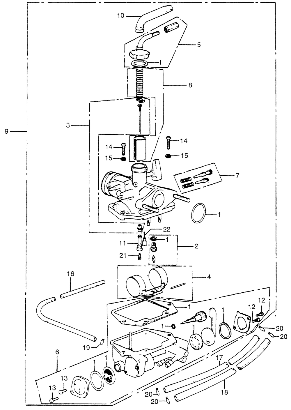
| 001 | GASKET SET | 1 | |
| 002 | VALVE SET FLOAT | 1 | |
| 003 | NEEDLE SET JET | 0 | |
| 004 | FLOAT SET | 1 | |
| 004 | FLOAT SET | 1 | |
| 005 | TOP SET | 0 | |
| 006 | CHAMBER SET FLOAT | 1 | |
| 007 | SCREW SET A | 1 | |
| 008 | VALVE SET THROTTLE | 0 | |
| 009 | CARBURETOR ASSY. | 0 | |
| 010 | CAP RUBBER | 1 | |
| 011 | HOLDER NEEDLE JET | 0 | |
| 012 | SCREW, PAN (3X5) | 2 | |
| 013 | SCREW PAN (3X7) | 0 | |
| 014 | SCREW, PAN (4X12) | 2 | |
| 015 | WASHER, SPRING (4MM) | 2 | |
| 016 | BULK HOSE (3.5X3000) | 0 | |
| 018 | BULK HOSE, FUEL (5.5X3000) (95001-550(95001-55001-60M) | 0 | |
| 019 | CLIP, TUBE (B7) | 1 | |
| 020 | CLIP, TUBE (B10) | 4 | |
| 021 | JET MAIN (tahos_60) | 0 | |
| 022 | JET SLOW (tahos_35) | 0 |
