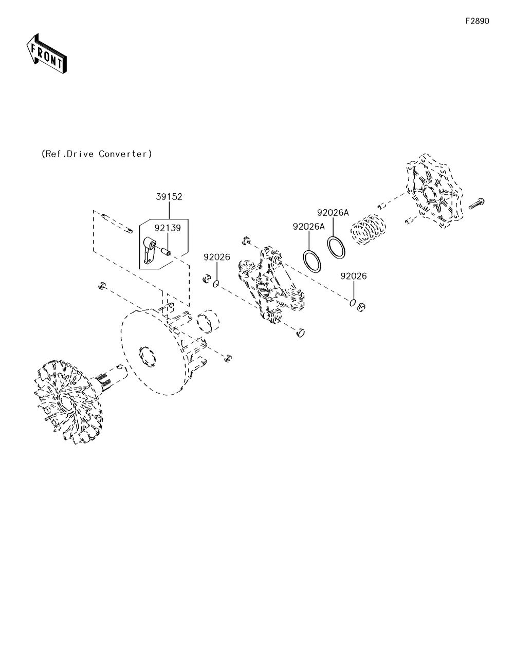
Optional Parts

Корзина пуста
Наименование Примечание Кол-во
39152 WEIGHT-RAMP (OPTION) 4
92026 SPACERT=0.1 (OPTION) 2
92026A SPACER39X49.5X1.0 2
92139 BUSHING 4