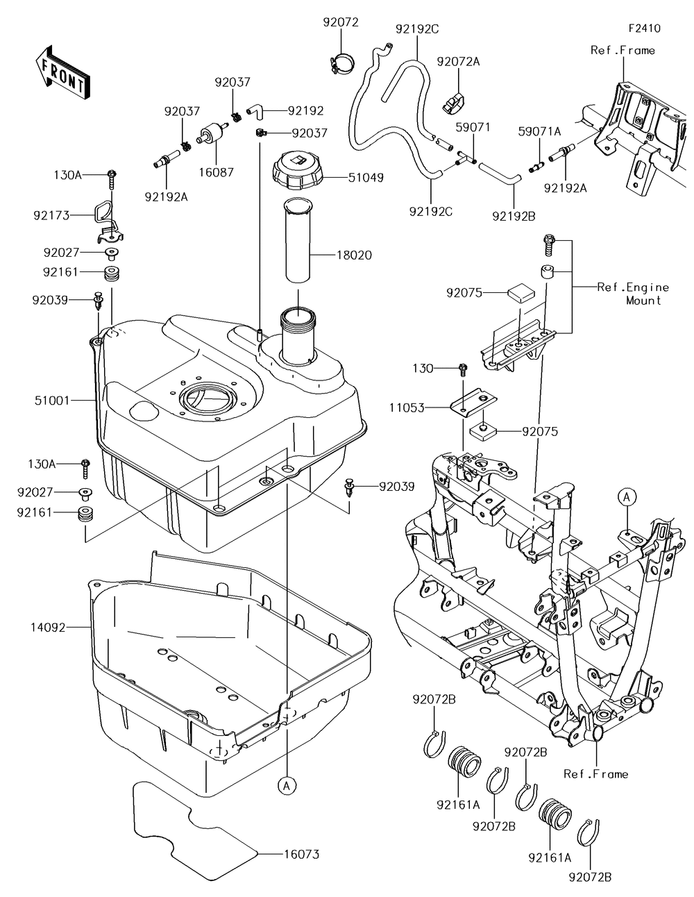
| № | Наименование | Примечание | Кол-во |
|---|---|---|---|
| 130 | BOLT-FLANGED6X16 | 1 | |
| 130A | BOLT-FLANGED6X30 | 3 | |
| 11053 | BRACKETFUEL TANKTOP | 1 | |
| 16073 | INSULATORFUEL TANK C | 1 | |
| 16087 | VALVE-CHECK | 1 | |
| 18020 | BAFFLEFUEL TANK | 1 | |
| 51001 | TANK-COMP-FUEL | 1 | |
| 51049 | CAP-TANKFUEL | 1 | |
| 59071 | JOINT | 1 | |
| 59071A | JOINT CA | 1 | |
| 92027 | COLLAR6=16.1 | 3 | |
| 92037 | CLAMPTUBE | 3 | |
| 92039 | RIVET | 2 | |
| 92072 | BANDL=149 | 1 | |
| 92072A | BANDWIRING HARNESS | 1 | |
| 92072B | BANDL=188 | 4 | |
| 92075 | DAMPER | 2 | |
| 92161 | DAMPER | 3 | |
| 92161A | DAMPERFUEL TANKRR | 2 | |
| 92173 | CLAMPFUEL TUBE | 1 | |
| 92192 | TUBEFUEL TANK-CHECK VALVE | 1 | |
| 92192A | TUBEFRAME PIPE-CHECK | 2 | |
| 92192B | TUBE5X10X80/22 | 1 | |
| 92192C | TUBE5X10X470 | 2 |
