| № | Наименование | Примечание | Кол-во |
|---|---|---|---|
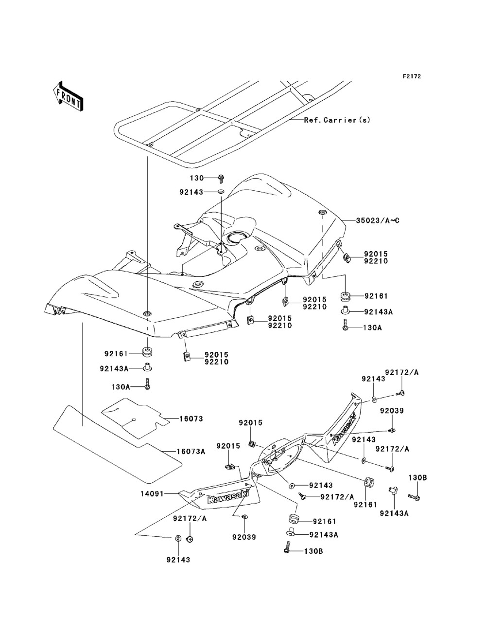
| 130 | BOLT-FLANGED6X16 | 2 | |
| 130A | BOLT-FLANGED6X25 | 2 | |
| 130B | BOLT-FLANGED6X25 | 2 | |
| 14091 | COVERTAIL LAMPF.BLA | 1 | |
| 16073 | INSULATORREAR FENDER | 1 | |
| 16073A | INSULATORREAR FENDER | 1 | |
| 35023C | FENDER-REARBLACK | 1 | |
| 92015 | NUT6MM | 2 | |
| 92039 | RIVET | 2 | |
| 92143 | COLLAR | 6 | |
| 92143A | COLLAR | 4 | |
| 92161 | DAMPER | 4 | |
| 92172A | SCREWTAPPING6X20 | 4 | |
| 92210 | NUTLEAF SPRING6MM | 4 |
