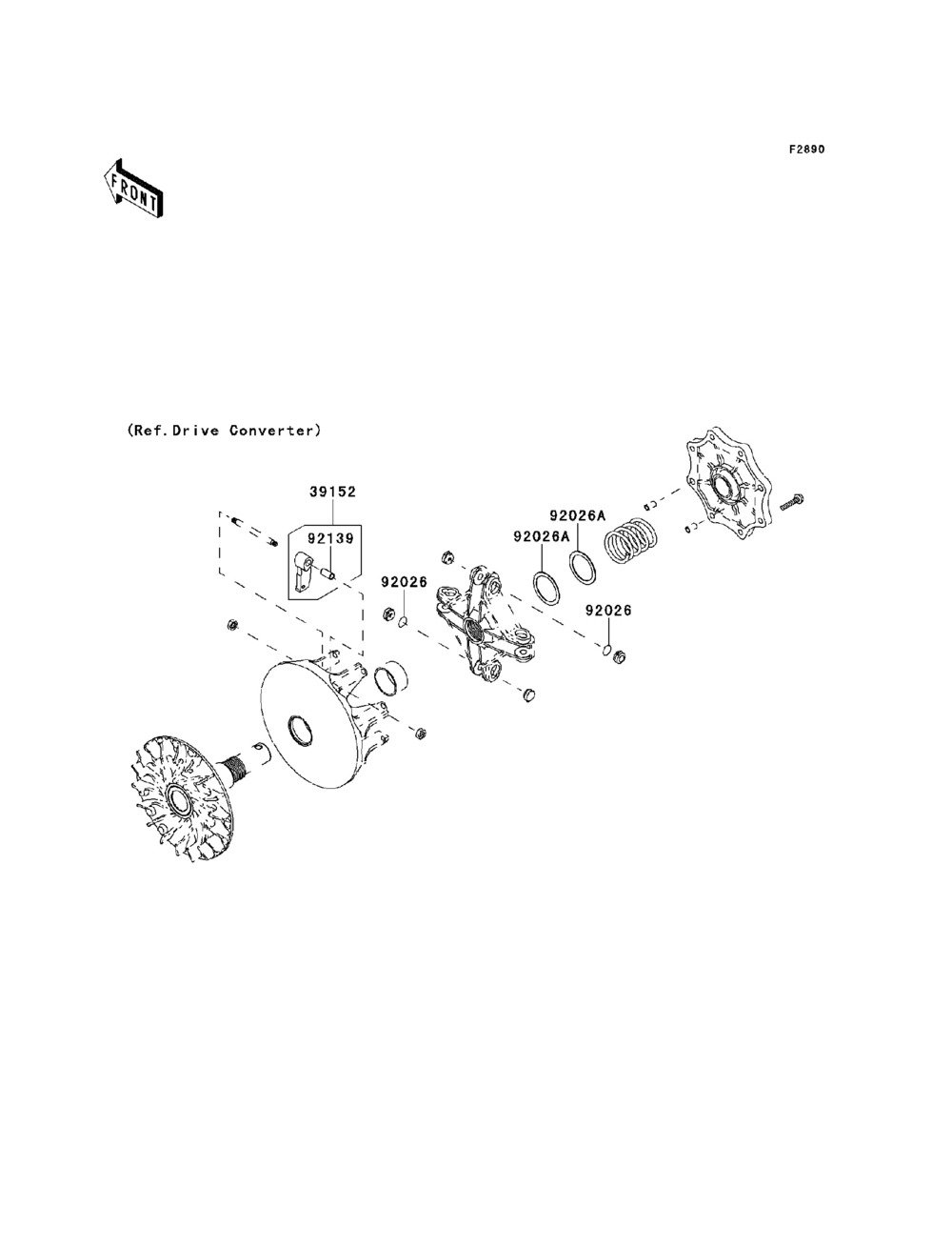
| № | Наименование | Примечание | Кол-во |
|---|---|---|---|
| 39152 | WEIGHT-RAMP (OPTION) | 4 | |
| 92026 | SPACERT=0.1 (OPTION) | 2 | |
| 92026A | SPACER39X49.5X1.0 | 2 | |
| 92139 | BUSHING | 4 |
| Корзина пуста |
| № | Наименование | Примечание | Кол-во |
|---|---|---|---|
| 39152 | WEIGHT-RAMP (OPTION) | 4 | |
| 92026 | SPACERT=0.1 (OPTION) | 2 | |
| 92026A | SPACER39X49.5X1.0 | 2 | |
| 92139 | BUSHING | 4 |