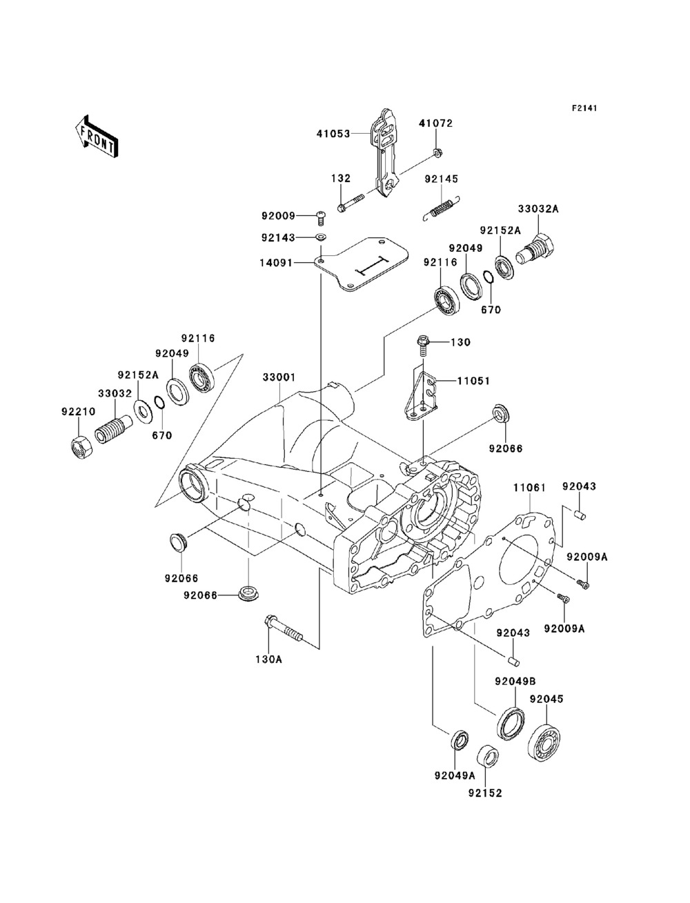
| № | Наименование | Примечание | Кол-во |
|---|---|---|---|
| 130 | BOLT-FLANGED | 2 | |
| 130A | BOLT-FLANGED | 10 | |
| 132 | BOLT-FLANGED-SMALL | 1 | |
| 670 | "0" RING16MM | 2 | |
| 11051 | BRACKETCABLE | 1 | |
| 11061 | GASKETSWING ARM | 1 | |
| 14091 | COVER | 1 | |
| 33001 | ARM-COMP-SWING | 1 | |
| 33032 | SHAFT-SWING ARMLEFT | 1 | |
| 33032A | SHAFT-SWING ARMRIGHT | 1 | |
| 41053 | LEVER-BRAKE CAM | 1 | |
| 41072 | NUT6MM | 1 | |
| 92009 | SCREWTAPPING6X16 | 3 | |
| 92009A | SCREW4X10 | 2 | |
| 92043 | PIN8X14 | 2 | |
| 92045 | BEARING-BALLTMBO/28C | 1 | |
| 92049 | OIL SEAL26406 | 2 | |
| 92049A | SEAL-OILTC17X28X6 | 1 | |
| 92049B | SEAL-OILHTC35X48X7 | 1 | |
| 92066 | PLUG | 4 | |
| 92116 | BRGROLLER4T30203E1 | 2 | |
| 92143 | COLLAR | 3 | |
| 92145 | SPRINGBRAKE LEVER RE | 1 | |
| 92152 | COLLAR | 1 | |
| 92152A | COLLAR | 2 | |
| 92210 | NUT22MM | 1 |
