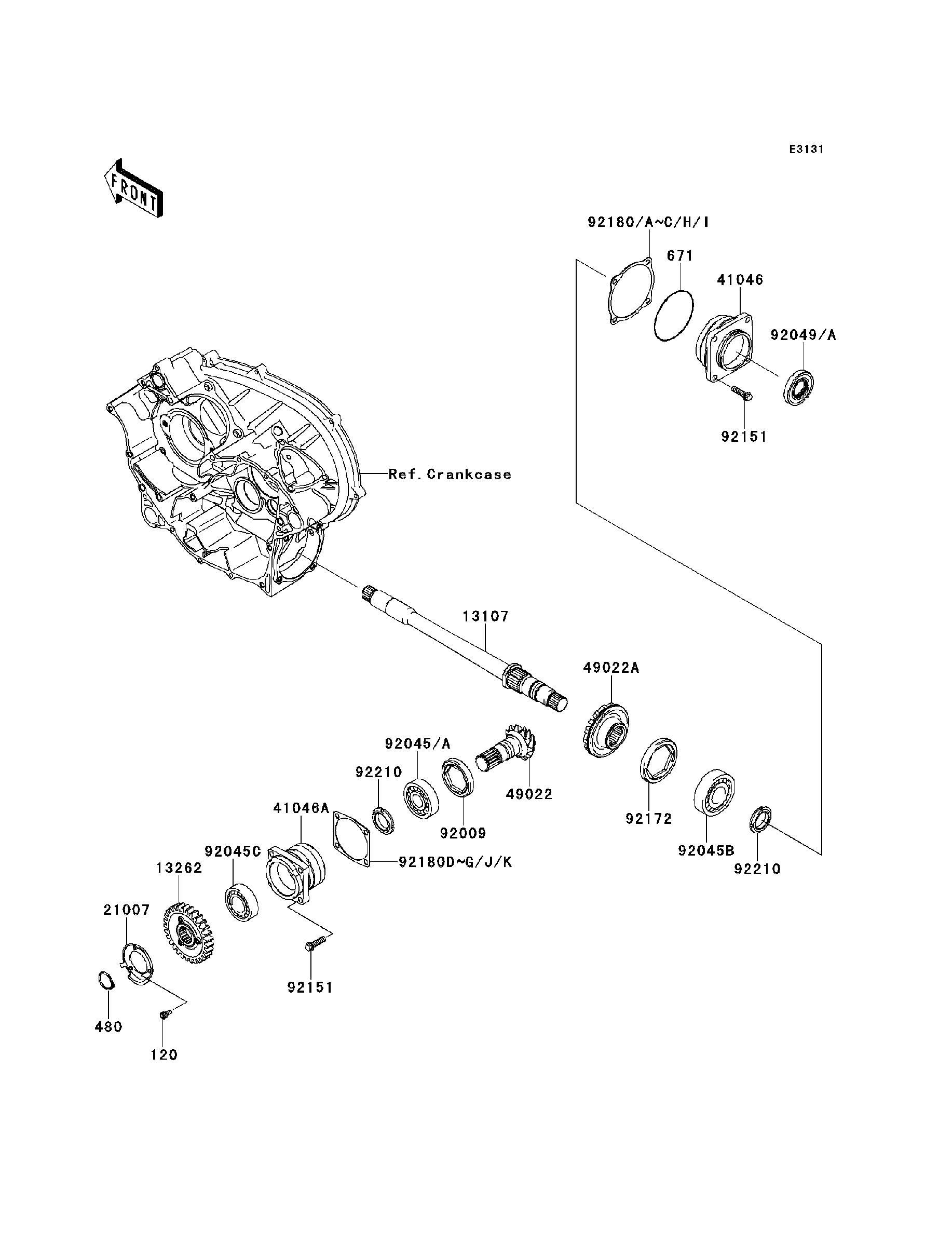
Front Bevel Gear

Корзина пуста