| № | Наименование | Примечание | Кол-во |
|---|---|---|---|
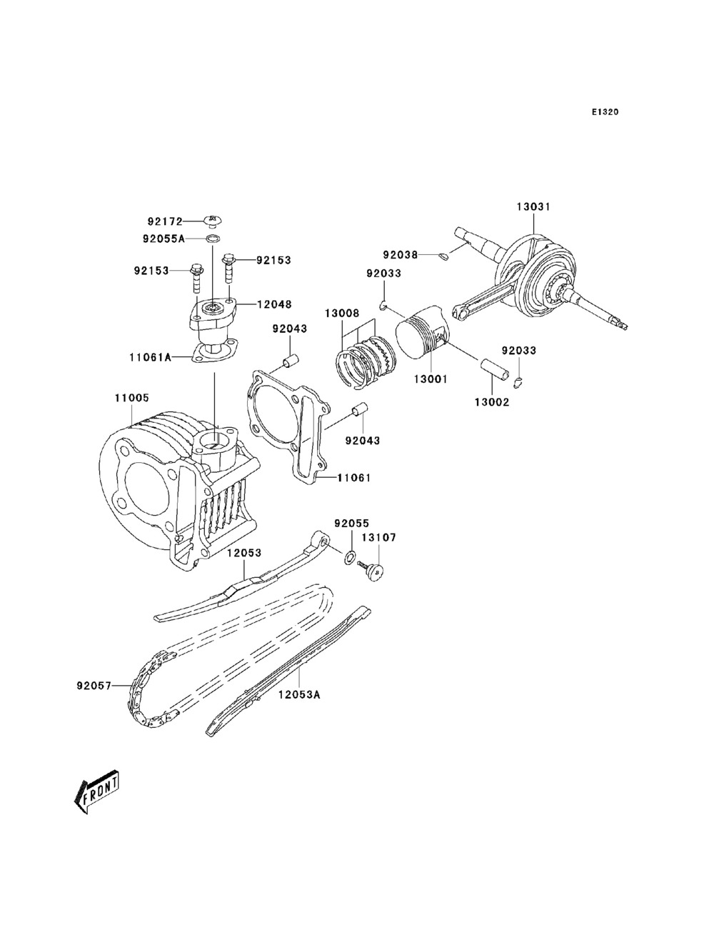
| 11005 | CYLINDER-ENGINE | 1 | |
| 11061 | GASKETCYLINDER BASE | 1 | |
| 11061A | GASKET | 1 | |
| 12048 | TENSIONER-ASSY | 1 | |
| 12053 | GUIDE-CHAINTENSIONER | 1 | |
| 12053A | GUIDE-CHAIN | 1 | |
| 13001 | PISTON-ENGINE | 1 | |
| 13002 | PIN-PISTON | 1 | |
| 13008 | RING-SET-PISTON | 1 | |
| 13031 | CRANKSHAFT-COMP | 1 | |
| 13107 | SHAFTCHAIN GUIDE | 1 | |
| 92033 | RING-SNAP | 2 | |
| 92038 | KEYWOODRUFF | 1 | |
| 92043 | PIN10X16 | 2 | |
| 92055 | RING-O15.2X1.5 | 1 | |
| 92055A | RING-O1.5X9.5 | 1 | |
| 92057 | CHAINCAMSHAFT | 1 | |
| 92153 | BOLTFLANGE6X22 | 2 | |
| 92172 | SCREW6X6 | 1 |
