| № | Наименование | Примечание | Кол-во |
|---|---|---|---|
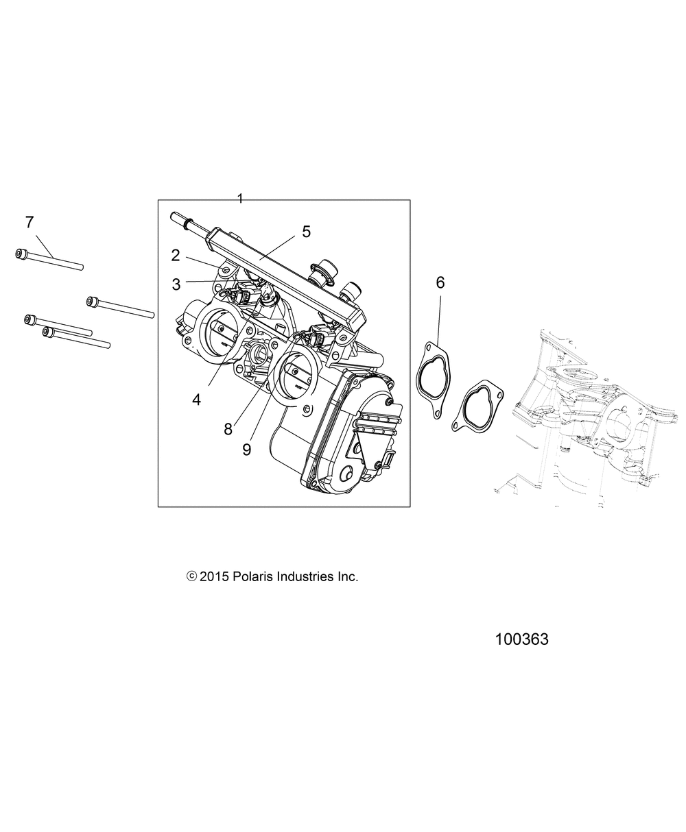
| 2 | BOLT-FUEL RAIL | 2 | |
| 3 | CLIP-INJECTOR | 2 | |
| 4 | INJECTOR-180G/MIN SINGLE CONE | 2 | |
| 6 | GASKET-ITB | 2 | |
| 7 | SCR-SHSEMS-M6X1.0X80 8.8 ZOD | 4 |
| Корзина пуста |
| № | Наименование | Примечание | Кол-во |
|---|---|---|---|
| 2 | BOLT-FUEL RAIL | 2 | |
| 3 | CLIP-INJECTOR | 2 | |
| 4 | INJECTOR-180G/MIN SINGLE CONE | 2 | |
| 6 | GASKET-ITB | 2 | |
| 7 | SCR-SHSEMS-M6X1.0X80 8.8 ZOD | 4 |