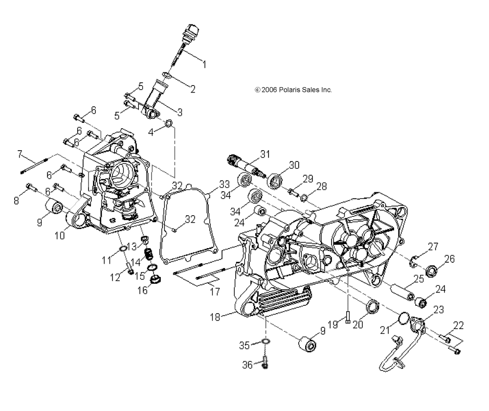
| № | Наименование | Примечание | Кол-во |
|---|---|---|---|
| ASM-ENGINEYOUTH 90 | 1 | ||
| 1 | GAUGE-OIL [INCL. 2] | 1 | |
| 2 | O-RING-OILDIPSTICK | 1 | |
| 3 | NECK-OILFILLER | 1 | |
| 4 | O'RING-ACRYLIC | 1 | |
| 5 | BOLT | 2 | |
| 6 | BOLT | 5 | |
| 7 | STUD-BOLTCRANKCASE | 2 | |
| 8 | BOLT | 1 | |
| 9 | BUSHING-RUBBER 96400-102831 | 2 | |
| 10 | CRANKCASE-RH | 1 | |
| 11 | WASHER-FLAT | 1 | |
| 12 | BOLT-HEXWASHER FACE | 1 | |
| 13 | SCREEN-OIL* | 1 | |
| 14 | SPRING-OIL SCREEN | 1 | |
| 15 | O-RINGDRAIN PLUG | 1 | |
| 16 | PLUG-DRAINOIL* | 1 | |
| 17 | STUD-BOLTCRANKCASE | 2 | |
| 18 | COVER-CLUTCH | 1 | |
| 19 | BOLT | 1 | |
| 20 | SEAL-OILCRANKCASE | 1 | |
| 21 | O-RING-GEAR POSITION SENSOR | 1 | |
| 22 | BOLT-HEXFLANGE | 2 | |
| 23 | SENSOR-GEAR POSITION | 1 | |
| 24 | BUSHING-RUBBER | 2 | |
| 25 | SPACER-COLLARCRANKCASE | 1 | |
| 26 | SEAL-OIL | 1 | |
| 27 | CIRCLIP-EXTERNAL (10) (10 per pack) | 1 | |
| 28 | WASHER-PLAIN | 1 | |
| 29 | BOLT-SOCKETHEX(10) (10 per pack) | 1 | |
| 30 | BEARING | 1 | |
| 31 | SHAFT-DRIVE | 1 | |
| 32 | PIN-DOWEL | 2 | |
| 33 | GASKET-CRANKCASE | 1 | |
| 34 | BEARING-BALL | 2 |
