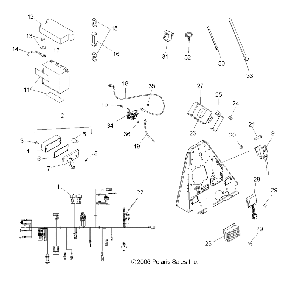
| № | Наименование | Примечание | Кол-во |
|---|---|---|---|
| 1 | HARNESS-MAINSCRAMBLER 500 [Incl. 2] | 1 | |
| 2 | ASM-TAILLIGHT12VSERIES FIL [Incl. 3-7] | 1 | |
| 3 | SCREW | 2 | |
| 4 | LENSSTOP&T/L. | 1 | |
| 5 | BULB (10) (10 per pack) | 1 | |
| 6 | GASKETT/L&STOP/L | 1 | |
| 7 | BACKING(STOP&TAIL) | 1 | |
| 8 | CLIP RETAINER(10) (10 per pack) | 2 | |
| 9 | ASM-IGNITION COIL [Incl. 16] | 1 | |
| 10 | SCREW(10) * (10 per pack) | 2 | |
| 11 | PAD BATTERY | 3 | |
| 12 | COVERBATTERY | 1 | |
| 13 | KIT-BATTERY BOLT (SHORT) | 2 | |
| 14 | CABLEBATT/ENG.BLK. | 1 | |
| 15 | HOOK-BATTERY STRAP(10) (10 per pack) | 2 | |
| 16 | STRAP-BATTERY HOLD DOWN-C | 1 | |
| 17 | TUBEVENT | 1 | |
| 17 | BATTERY 195 CCA (2) (2 per pack) | 1 | |
| 18 | CABLEBATT/SOLENOIDRED | 1 | |
| 19 | CABLESOL/STARTER | 1 | |
| 20 | NUT NYLOK 10-24 Y | 1 | |
| 21 | BOLT | 1 | |
| 22 | KIT-FUSIBLE LINK0.8 MM | 1 | |
| 23 | CONTROLLER MODULE-FANCIRREG | 1 | |
| 24 | SCREW | 3 | |
| 25 | BRKT-CDIDIGITALLONG | 1 | |
| 27 | CDI SYSTEM | 1 | |
| 28 | LIMITER-RPMHUB GROUNDW/CON | 1 | |
| 29 | SCREW(10) (10 per pack) | 2 | |
| 30 | CABLE TIE (10) (10 per pack) | 3 | |
| 31 | CLIP-ROUTING | 3 | |
| 32 | CLIPROSEBUD | 3 | |
| 33 | CABLE TIE11 INCH | 3 | |
| 34 | SOLENOID-STARTER-C1100 | 1 | |
| 35 | NUT-HXFLGHDM6SERRATED | 2 | |
| 36 | NUT-tahos_10-24 NYLOK INSERT | 2 |
