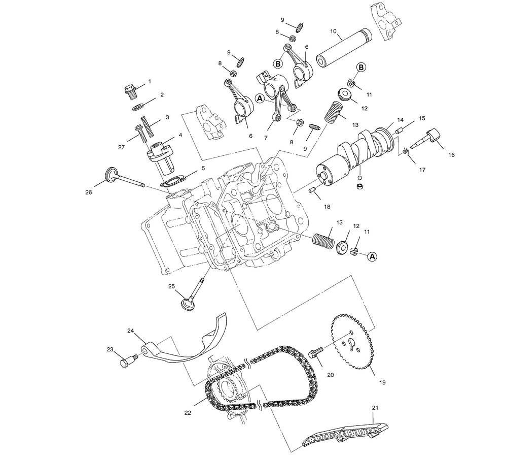
| № | Наименование | Примечание | Кол-во |
|---|---|---|---|
| 1 | PLUG | 1 | |
| 2 | GASKET PLUG | 1 | |
| 3 | SPRING-TENSIONER | 1 | |
| 4 | TENSIONERASM [Incl. 1-3] | 1 | |
| 5 | GASKETTENSIONER | 1 | |
| 6 | ROCKER ARM ASMINTAKE * [Incl. 1118] | 2 | |
| 7 | ROCKER ARM ASMEXHAUST * [Incl. 67] | 1 | |
| 8 | NUT(10) (10 per pack) | 4 | |
| 9 | SCREW ADJUSTING | 4 | |
| 10 | SHAFTROCKER | 1 | |
| 11 | COLLETVALVE | 8 | |
| 12 | RETAINER-VALVE SPRING | 4 | |
| 13 | SPRINGVALVE | 4 | |
| 14 | ASM. CAMSHAFT * [Incl. 14151618] | 1 | |
| 15 | PINDOWEL | 1 | |
| 16 | LEVER RELEASE | 1 | |
| 17 | SPRINGRETURN | 1 | |
| 18 | PINDOWEL | 1 | |
| 19 | SPROCKET 2 | 1 | |
| 20 | BOLT&WASHER ASM. | 3 | |
| 21 | GUIDECHAIN | 1 | |
| 22 | CHAIN TIMING * | 1 | |
| 23 | ASM.BOLTPIVOTLEVER | 1 | |
| 24 | LEVER | 1 | |
| 25 | VALVEINTAKE * | 2 | |
| 26 | VALVE EXHAUST * | 2 | |
| 27 | BOLT FLANGE | 2 |
