| № | Наименование | Примечание | Кол-во |
|---|---|---|---|
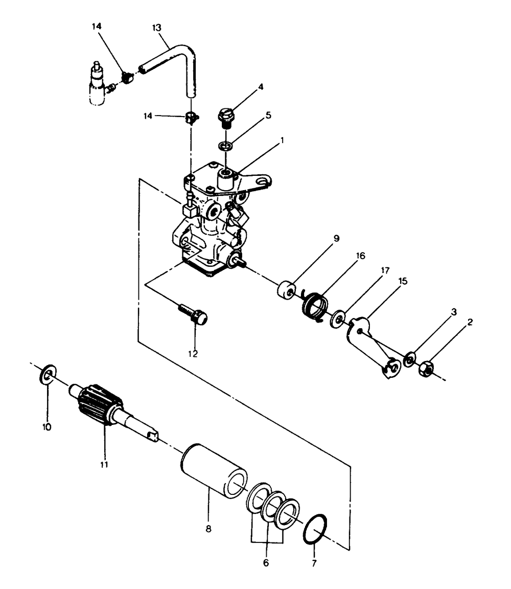
| 2 | NUT(10) (10 per pack) | 1 | |
| 3 | WASHER-SPRING(10) (10 per pack) | 1 | |
| 4 | SCREW-AIR VENT | 1 | |
| 5 | PACKING(10) (10 per pack) | 1 | |
| 6 | SPACER 1.15MM | 0 | |
| 6 | SPACER 3.6MM | 0 | |
| 7 | O RING | 1 | |
| 8 | BUSHING | 1 | |
| 9 | CAP | 1 | |
| 10 | SPACER | 1 | |
| 11 | GEAR SMALL | 1 | |
| 12 | ASM.SCREW & WASHER (10) (10 per pack) | 2 | |
| 14 | CLAMP-HOSE(10) (10 per pack) | 2 | |
| 16 | SPRING-RETURN | 1 | |
| 17 | COLLAR CAMSHAFT | 1 |
