| № | Наименование | Примечание | Кол-во |
|---|---|---|---|
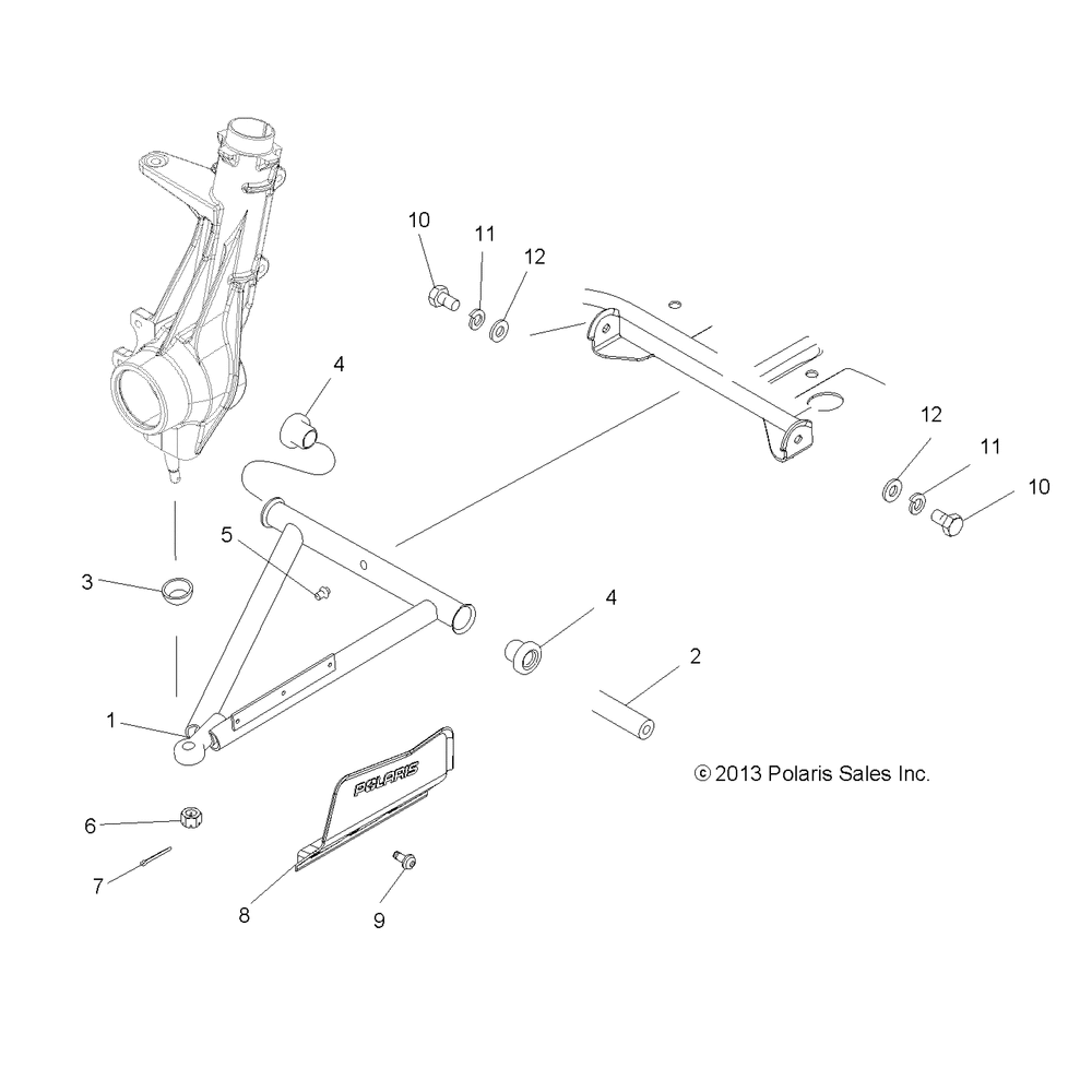
| 1 | KIT-A-FRAMELH (1542028) [Incl. 2457101112] | 1 | |
| 1 | KIT-A-FRAMERH (1542029) [Incl. 2457101112] | 1 | |
| 2 | SHAFT-A-ARM | 2 | |
| 3 | BOOT-BALLJOINTGREASELESSSTRT | 2 | |
| 4 | ASM-BUSHINGHDW/SEAL | 4 | |
| 5 | FITTINGLUBRICATIONTHREADED(10 | 2 | |
| 6 | NUT CASTLE(10) (10 per pack) | 2 | |
| 7 | PINCOTTER(10) (10 per pack) | 2 | |
| 8 | SHIELD-CVFRONTBASICLHBLK | 1 | |
| 8 | SHIELD-CVFRONTBASICRHBLK | 1 | |
| 9 | SCREW(10) (10 per pack) | 6 | |
| 10 | SCREW(10) (10 per pack) | 4 | |
| 11 | WASHERSPRING LOCK(10) (10 per pack) | 4 | |
| 12 | WASHER | 4 |
